JFT
● Click on the bearing number below to view the drawing (upper) with applicable dimension for the corresponding bearing number.
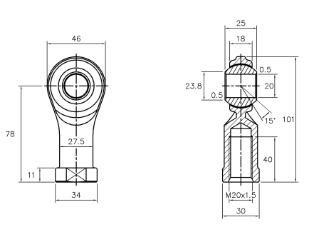
Bearing Number
※ You can check the contents by scrolling left / right.
| Bearing Number |
Weight gr. |
Major Dimensions mm |
Tilting Angle a° |
Ball Radius mm |
Static Load Capacity Co/Kgf |
|||||||||||||
|---|---|---|---|---|---|---|---|---|---|---|---|---|---|---|---|---|---|---|
| d | Screw KS Class 2/S |
D | B +0.1 -0.4 |
B1 +0 -0.1 |
d1 | L | I | L1 | L2 | W +0 -0.2 |
D1 | D2 | r | |||||
| JFT 3 | 6.5 | 3 | M 3 x 0.5 | 12 | 4.5 | 6 | 7.4 | 27 | 3 | 21 | 10 | 7 | 8 | 6.5 | 0.5 | 11 | 9.525 | 300 |
| JFT 4 | 10 | 4 | M 4 x 0.7 | 14 | 5 | 7 | 7.5 | 31 | 4 | 24 | 12 | 8 | 9.5 | 8 | 0.5 | 12 | 10 | 350 |
| JFT 5 | 16.5 | 5 | M 5 x 0.8 | 16 | 6 | 8 | 7.7 | 35 | 4 | 27 | 14 | 9 | 11 | 9 | 0.5 | 13 | 11.1 | 400 |
| JFT 6 | 25 | 6 | M 6 x 1.0 |
18 | 6.75 | 9 | 9 | 39 | 5 | 30 | 14 | 11 | 13 | 10.5 | 0.5 | 13 | 12.7 | 510 |
| JFT 8 | 43 | 8 | M 8 x 1.25 |
22 | 9 | 12 | 10.4 | 47 | 5 | 36 | 17 | 14 | 16 | 13 | 0.5 | 13 | 15.87 | 760 |
| JFT 10 | 72 | 10 | *M10 x 1.25 | 27 | 10 | 14 | 12.9 | 56 | 6.5 | 42.5 | 20 | 17 | 19 | 15 | 0.5 | 13 | 19.05 | 960 |
| M10 x 1.5 | ||||||||||||||||||
| JFT 12 | 107 | 12 | M12 x 1.75 | 31 | 12 | 16 | 15.8 | 66.5 | 6.5 | 50 | 24 | 19 | 22 | 17.5 | 0.5 | 13 | 22.5 | 1,120 |
| JFT 14 | 160 | 14 | *M14 x 1.5 | 35 | 13.5 | 19 | 16.9 | 75 | 8.5 | 57.5 | 27 | 21.7 | 25 | 20 | 0.5 | 15 | 25.4 | 1,550 |
| M14 x 2.0 | ||||||||||||||||||
| JFT 16 | 210 | 16 | *M16 x 1.5 | 39 | 15 | 21 | 19.3 | 83 | 8.5 | 63.5 | 33 | 24 | 27 | 22 | 0.5 | 15 | 28.5 | 2,060 |
| M16 x 2.0 | ||||||||||||||||||
| JFT 18 | 295 | 18 | M18 x 1.5 | 43 | 16.5 | 23 | 21.7 | 92.5 | 10 | 71 | 36 | 27 | 31 | 25 | 0.5 | 15 | 31.6 | 2,570 |
| JFT 20 | 380 | 20 | M20 x 1.5 | 46 | 18 | 25 | 23.8 | 101 | 11 | 78 | 40 | 30 | 34 | 27.5 | 0.5 | 15 | 34.5 | 2,840 |
| JFT 22 | 490 | 22 | M22 x 1.5 | 54 | 20 | 28 | 25.8 | 111 | 12 | 84 | 43 | 32 | 37 | 30 | 0.5 | 15 | 38.1 | 3,400 |
| JFT 25 | 750 | 25 | M24 x 2.0 | 64 | 22 | 31 | 29.8 | 126 | 12 | 94 | 49 | 36 | 42 | 33.5 | 0.5 | 15 | 43 | 5,980 |
| JFT 30 | 900 | 30 | M30 x 2.0 | 73 | 26 | 37 | 34.8 | 145 | 16.5 | 108.5 | 50 | 42 | 49 | 40 | 0.5 | 15 | 50.8 | 7,600 |
- Ordering Information: Please specify the screw dimensions when ordering the screws marked with an asterisk on the table above.
- Usage: Although the product can be used without lubrication, regularly applying a small amount of oil or grease to the spherical surface of the ball helps to prolong its service life.
- Note) JFT 22 and JFT 30 are suitable for the accommodation of heavy loads because they are supplied equipped with spherical plain bearings.



















