JF(inch)
● Click on the bearing number below to view the drawing (upper) with applicable dimension for the corresponding bearing number.
※ You can check the contents by scrolling left / right.
| Bearing Number |
Weight gr. |
Major Dimensions inch/mm |
Tilting Angle a° |
Ball Radius inch/mm |
Static Load Capacity Co/Kgf |
|||||||||||||
|---|---|---|---|---|---|---|---|---|---|---|---|---|---|---|---|---|---|---|
| d | Scraw KS Class 2/S |
D | B | B1 | d1 | L | I | L1 | L2 | W | D1 | D2 | r | |||||
| JF 3/16 | 16.5 | 3/16 | NO.10 -32 | 0.6299 16 |
0.2362 6 |
0.3150 8 |
0.3031 7.7 |
1.3780 35 |
0.1575 4 |
1.0630 27 |
0.5512 14 |
0.3543 9 |
0.4331 11 |
0.3543 9 |
0.0197 0.5 |
13 | 0.4375 11.11 |
570 |
| JF 1/4 | 25 | 1/4 | 1/4 x 28 |
0.7283 18.5 |
0.2657 6.75 |
0.3543 9 |
0.3543 9 |
1.5453 39.25 |
0.1772 4.5 |
1.811 30 |
0.5512 14 |
0.4331 11 |
0.5118 13 |
0.3937 10 |
0.0197 0.5 |
13 | 0.5000 12.70 |
700 |
| JF 5/16 | 43 | 5/16 | 5/16 x 24 | 0.9055 23 |
0.3543 9 |
0.4724 12 |
0.4094 10.4 |
1.9094 48.5 |
0.2362 6 |
1.4567 37 |
0.6693 17 |
0.5512 14 |
0.6299 16 |
0.4921 12.5 |
0.0197 0.5 |
13 | 0.6250 15.87 |
1,000 |
| JF 3/8 | 72 | 3/8 | 3/8 x 24 | 1.0827 27.5 |
0.4133 10.5 |
0.5512 14 |
0.5078 12.9 |
2.2933 58.25 |
0.3149 8 |
1.7520 44.5 |
0.8268 21 |
0.6693 17 |
0.7480 19 |
0.5906 15 |
0.0197 0.5 |
13 | 0.7500 19.05 |
1,350 |
| JF 7/16 | 107 | 7/16 | 7/16 x 20 | 1.2008 30.5 |
0.4646 11.8 |
0.6299 16 |
0.6220 15.8 |
2.6280 66.75 |
0.2953 7.5 |
2.0276 51.5 |
0.9449 24 |
0.7480 19 |
0.8661 22 |
0.6889 17.5 |
0.0197 0.5 |
13 | 0.8858 22.5 |
1,700 |
| JF 1/2 | 107 | 1/2 | 1/2 x 20 | 1.2008 30.5 |
0.4646 11.8 |
0.6299 16 |
0.6220 15.8 |
2.6280 66.75 |
0.2953 7.5 |
2.0276 51.5 |
0.9449 24 |
0.7480 19 |
0.8661 22 |
0.6889 17.5 |
0.0197 0.5 |
13 | 0.8858 22.5 |
1,700 |
| JF 5/8 | 210 | 5/8 | 5/8 x 18 | 1,4960 38 |
0.5906 15 |
0.8268 21 |
0.7598 19.3 |
3.3268 84.5 |
0.3740 9.5 |
2.5787 65.5 |
1.2992 33 |
0.9448 24 |
1.0630 27 |
0.8661 22 |
0.0197 0.5 |
15 | 1.1220 28.5 |
2,550 |
| JF 3/4 | 380 | 3/4 | 3/4 x 16 | 1.9685 50 |
0.6299 16 |
0.9843 25 |
0.9370 23.8 |
4.0551 103 |
0.4330 11 |
3.0709 78 |
1.5748 40 |
1.1811 30 |
1.3385 34 |
1.0826 27.5 |
0.0197 0.5 |
15 | 1.3582 34.5 |
3,500 |
| JF 7/8 | 490 | 7/8 | 7/8 x 14 | 2.1259 54 |
0.7874 20 |
1.1024 28 |
1.0157 25.8 |
4.3701 111 |
0.4724 12 |
3.3071 84 |
1.6929 43 |
1.2598 32 |
1.4566 37 |
1.1811 30 |
0.0197 0.5 |
15 | 1.5000 38.10 |
4,200 |
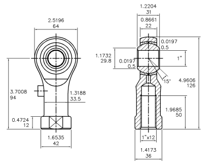
| JF 1" | 750 | 1" | 1" x 12 | 2.5196 64 |
0.8661 22 |
1.2204 31 |
1.1732 29.8 |
4.9606 126 |
0.4724 12 |
3.7008 94 |
1.9685 50 |
1.4173 36 |
1.6535 42 |
1.3188 33.5 |
0.0197 0.5 |
15 | 1.6929 43 |
5,500 |
- Note) Right handed screws are indicated with “R” and white plated. Left handed screws are indicated with “L” and yellow plated.














