CR..VM

※ Oil nipple is installed on products’ head starting from CR 16 VM.
● Click on the bearing number below to view the drawing (upper) with applicable dimension for the corresponding bearing number.
Bearing Number
- CR 8V (VMR/VMUU/VMUUR)
- CR 8-1V (VMR/VMUU/VMUUR)
- CR 10V (VMR/VMUU/VMUUR)
- CR 10-1V (VMR/VMUU/VMUUR)
- CR 12V (VMR/VMUU/VMUUR)
- CR 14V (VMR/VMUU/VMUUR)
- CR 16V (VMR/VMUU/VMUUR)
- CR 18V (VMR/VMUU/VMUUR)
- CR 20V (VMR/VMUU/VMUUR)
- CR 22V (VMR/VMUU/VMUUR)
- CR 24V (VMR/VMUU/VMUUR)
- CR 26V (VMR/VMUU/VMUUR)
- CR 28V (VMR/VMUU/VMUUR)
- CR 30V (VMR/VMUU/VMUUR)
- CR 32V (VMR/VMUU/VMUUR)
- CR 36V (VMR/VMUU/VMUUR)
※ You can check the contents by scrolling left / right.
| Stud Diameter G mm (inch) |
Bearing Number | Weight gr. |
Major Dimensions inch/mm |
||||||||||
|---|---|---|---|---|---|---|---|---|---|---|---|---|---|
| No Sealant Applied | Sealant Applied | ||||||||||||
| Cylindrical Outer Ring |
Spherical Outer Ring |
Cylindrical Outer Ring |
Spherical Outer Ring |
||||||||||
| CR..VM | CR..VMR | CR..VMUU | CR..VMUUR | H mm |
D | Screw UNF S |
B | B₁ | |||||
| 4.826 | CR 8VM | CR 8VMR | CR 8VMUU | CR 8VMUUR | 9 | 3 | 1/2 | 12.700 | NO. 10-32 | 11/32 | 8.731 | 3/8 | 10.220 |
| CR 8-1VM | CR 8-1VMR | CR 8-1VMUU | CR 8-1VMUUR | 10 | 3 | 1/2 | 12.700 | NO. 10-32 | 3/8 | 9.525 | 13/32 | 11.000 | |
| 6.350 (1/4) | CR 10VM | CR 10VMR | CR 10VMUU | CR 10VMUUR | 19 | 3 | 5/8 | 15.875 | 1/4 - 28 | 13/32 | 10.310 | 7/16 | 11.900 |
| CR 10-1VM | CR 10-1VMR | CR 10-1VMUU | CR 10-1VMUUR | 21 | 3 | 5/8 | 15.875 | 1/4 - 28 | 7/16 | 11.112 | 15/32 | 12.900 | |
| 9.525 (3/8) | CR 12VM | CR 12VMR | CR 12VMUU | CR 12VMUUR | 35 | 4 | 3/4 | 19.050 | 3/8 - 24 | 1/2 | 12.700 | 17/32 | 14.200 |
| CR 14VM | CR 14VMR | CR 14VMUU | CR 14VMUUR | 46 | 4 | 7/8 | 22.225 | 3/8 - 24 | 1/2 | 12.700 | 17/32 | 14.200 | |
| 11.112 (7/16) | CR 16VM | CR 16VMR | CR 16VMUU | CR 16VMUUR | 73 | 6 | 1 | 25.400 | 7/16 - 20 | 5/8 | 15.875 | 21/32 | 17.300 |
| CR 18VM | CR 18VMR | CR 18VMUU | CR 18VMUUR | 88 | 6 | 1 1/8 | 28.575 | 7/16 - 20 | 5/8 | 15.875 | 21/32 | 17.300 | |
| 12.700 (1/2) | CR 20VM | CR 20VMR | CR 20VMUU | CR 20VMUUR | 132 | 6 | 1 1/4 | 31.750 | 1/2 - 20 | 3/4 | 19.050 | 25/32 | 20.540 |
| CR 22VM | CR 22VMR | CR 22VMUU | CR 22VMUUR | 157 | 6 | 1 3/8 | 34.925 | 1/2 - 20 | 3/4 | 19.050 | 25/32 | 20.540 | |
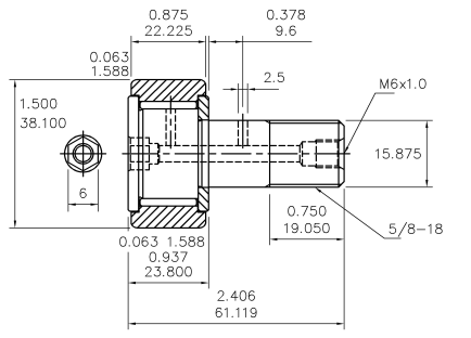
| 15.875 (5/8) | CR 24VM | CR 24VMR | CR 24VMUU | CR 24VMUUR | 225 | 6 | 1 1/2 | 38.100 | 5/8 - 18 | 7/8 | 22.225 | 29/32 | 23.800 |
| CR 26VM | CR 26VMR | CR 26VMUU | CR 26VMUUR | 260 | 6 | 1 5/8 | 41.275 | 5/8 - 18 | 7/8 | 22.225 | 29/32 | 23.800 | |
| 19.050 (3/4) | CR 28VM | CR 28VMR | CR 28VMUU | CR 28VMUUR | 365 | 8 | 1 3/4 | 44.450 | 3/4 - 16 | 1 | 25.400 | 1 1/32 | 26.194 |
| CR 30VM | CR 30VMR | CR 30VMUU | CR 30VMUUR | 410 | 8 | 1 7/8 | 47.625 | 3/4 - 16 | 1 | 25.400 | 1 1/32 | 26.194 | |
| 22.225 (7/8) | CR 32VM | CR 32VMR | CR 32VMUU | CR 32VMUUR | 615 | 8 | 2 | 50.800 | 7/8 - 14 | 1 1/4 | 31.750 | 1 9/32 | 33.240 |
| CR 36VM | CR 36VMR | CR 36VMUU | CR 36VMUUR | 750 | 8 | 2 1/4 | 57.150 | 7/8 - 14 | 1 1/4 | 31.750 | 1 9/32 | 33.240 | |
※ You can check the contents by scrolling left / right.
| Stud Diameter G mm (inch) |
Bearing Number | Major Dimensions inch/mm |
||||||||||||
|---|---|---|---|---|---|---|---|---|---|---|---|---|---|---|
| No Sealant Applied | Sealant Applied | |||||||||||||
| Cylindrical Outer Ring |
Spherical Outer Ring |
Cylindrical Outer Ring |
Spherical Outer Ring |
|||||||||||
| CR..V | CR..VMR | CR..VMUU | CR..VMUUR | B₃ | M mm |
g₁ mm |
G₁ | B₂ | r | |||||
| 4.826 | CR 8VM | CR 8VMR | CR 8VMUU | CR 8VMUUR | 7/8 | 23.019 | 1/4 | 6.400 | 1/64 | 0.397 | ||||
| CR 8-1VM | CR 8-1VMR | CR 8-1VMUU | CR 8-1VMUUR | 1 1/32 | 26.980 | 1/4 | 6.400 | 1/64 | 0.397 | |||||
| 6.350 (1/4) | CR 10VM | CR 10VMR | CR 10VMUU | CR 10VMUUR | 1 1/16 | 27.780 | 5/16 | 7.940 | 1/64 | 0.397 | ||||
| CR 10-1VM | CR 10-1VMR | CR 10-1VMUU | CR 10-1VMUUR | 1 7/32 | 31.750 | 5/16 | 7.940 | 1/64 | 0.397 | |||||
| 9.525 (3/8) | CR 12VM | CR 12VMR | CR 12VMUU | CR 12VMUUR | 1 13/32 | 36.510 | 3.9 | 2.0 | 3/8 | 9.525 | 1/4 | 6.500 | 1/32 | 0.794 |
| CR 14VM | CR 14VMR | CR 14VMUU | CR 14VMUUR | 1 13/32 | 36.510 | 3.9 | 2.0 | 3/8 | 9.525 | 1/4 | 6.500 | 1/32 | 0.794 | |
| 11.112 (7/16) | CR 16VM | CR 16VMR | CR 16VMUU | CR 16VMUUR | 1 21/32 | 42.069 | M6 X 1 | 2.0 | 1/2 | 13.000 | 1/4 | 6.500 | 3/64 | 1.191 |
| CR 18VM | CR 18VMR | CR 18VMUU | CR 18VMUUR | 1 21/32 | 42.069 | M6 X 1 | 2.0 | 1/2 | 13.000 | 1/4 | 6.500 | 1/16 | 1.588 | |
| 12.700 (1/2) | CR 20VM | CR 20VMR | CR 20VMUU | CR 20VMUUR | 2 1/32 | 52.000 | M6 X 1 | 3.0 | 5/8 | 16.000 | 5/16 | 8.000 | 1/16 | 1.588 |
| CR 22VM | CR 22VMR | CR 22VMUU | CR 22VMUUR | 2 1/32 | 52.000 | M6 X 1 | 3.0 | 5/8 | 16.000 | 5/16 | 8.000 | 1/16 | 1.588 | |
| 15.875 (5/8) | CR 24VM | CR 24VMR | CR 24VMUU | CR 24VMUUR | 2 13/32 | 61.119 | M6 X 1 | 2.5 | 3/4 | 19.050 | 3/8 | 9.600 | 1/16 | 1.588 |
| CR 26VM | CR 26VMR | CR 26VMUU | CR 26VMUUR | 2 12/32 | 61.119 | M6 X 1 | 2.5 | 3/4 | 19.050 | 3/8 | 9.600 | 1/16 | 1.588 | |
| 19.050 (3/4) | CR 28VM | CR 28VMR | CR 28VMUU | CR 28VMUUR | 2 25/32 | 70.644 | M6 X 1 | 2.8 | 7/8 | 22.225 | 7/16 | 9.800 | 1/16 | 1.588 |
| CR 30VM | CR 30VMR | CR 30VMUU | CR 30VMUUR | 2 25/32 | 70.644 | M6 X 1 | 2.8 | 7/8 | 22.225 | 7/16 | 9.800 | 1/16 | 1.588 | |
| 22.225 (7/8) | CR 32VM | CR 32VMR | CR 32VMUU | CR 32VMUUR | 3 9/32 | 84.140 | M6 X 1 | 2.8 | 1 | 26.000 | 1/2 | 12.700 | 1/16 | 1.588 |
| CR 36VM | CR 36VMR | CR 36VMUU | CR 36VMUUR | 3 9/32 | 84.140 | M6 X 1 | 2.8 | 1 | 26.000 | 1/2 | 12.700 | 1/16 | 1.588 | |
※ You can check the contents by scrolling left / right.
| Stud Diameter G mm (inch) |
Bearing Number | Installation Dimensions f Minimum inch/mm |
Basic Dynamic Rated Load C/kgf |
Basic Static Rated Load Co/Kgf |
Allowed RPM |
||||
|---|---|---|---|---|---|---|---|---|---|
| No Sealant Applied | Sealant Applied | ||||||||
| Cylindrical Outer Ring |
Spherical Outer Ring |
Cylindrical Outer Ring |
Spherical Outer Ring |
||||||
| CR..VM | CR..VMR | CR..VMUU | CR..VMUUR | ||||||
| 4.826 | CR 8VM | CR 8VMR | CR 8VMUU | CR 8VMUUR | 21/64 | 8.334 | 320 | 350 | 10,800 |
| CR 8-1VM | CR 8-1VMR | CR 8-1VMUU | CR 8-1VMUUR | 21/64 | 8.334 | 350 | 400 | ||
| 6.350 (1/4) | CR 10VM | CR 10VMR | CR 10VMUU | CR 10VMUUR | 29/64 | 11.509 | 430 | 560 | 8,100 |
| CR 10-1VM | CR 10-1VMR | CR 10-1VMUU | CR 10-1VMUUR | 29/64 | 11.509 | 480 | 630 | ||
| 9.525 (3/8) | CR 12VM | CR 12VMR | CR 12VMUU | CR 12VMUUR | 17/32 | 13.494 | 640 | 910 | 6,300 |
| CR 14VM | CR 14VMR | CR 14VMUU | CR 14VMUUR | 19/32 | 15.081 | 640 | 910 | ||
| 11.112 (7/16) | CR 16VM | CR 16VMR | CR 16VMUU | CR 16VMUUR | 45/64 | 17.859 | 960 | 1,670 | 5,400 |
| CR 18VM | CR 18VMR | CR 18VMUU | CR 18VMUUR | 3/4 | 19.050 | 960 | 1,670 | ||
| 12.700 (1/2) | CR 20VM | CR 20VMR | CR 20VMUU | CR 20VMUUR | 55/64 | 21.828 | 1,730 | 2,330 | 5,400 |
| CR 22VM | CR 22VMR | CR 22VMUU | CR 22VMUUR | 55/64 | 21.828 | 1,730 | 2,330 | ||
| 15.875 (5/8) | CR 24VM | CR 24VMR | CR 24VMUU | CR 24VMUUR | 1 3/64 | 26.196 | 2,070 | 2,950 | 4,050 |
| CR 26VM | CR 26VMR | CR 26VMUU | CR 26VMUUR | 1 3/64 | 26.196 | 2,070 | 2,950 | ||
| 19.050 (3/4) | CR 28VM | CR 28VMR | CR 28VMUU | CR 28VMUUR | 1 9/32 | 32.543 | 2,590 | 4,080 | 3,150 |
| CR 30VM | CR 30VMR | CR 30VMUU | CR 30VMUUR | 1 9/32 | 32.543 | 2,590 | 4,080 | ||
| 22.225 (7/8) | CR 32VM | CR 32VMR | CR 32VMUU | CR 32VMUUR | 1 15/32 | 37.306 | 3,360 | 5,920 | 3,150 |
| CR 36VM | CR 36VMR | CR 36VMUU | CR 36VMUUR | 1 15/32 | 37.306 | 3,360 | 5,920 | ||
- Note) Be sure to close the hexagonal plug after assembly or filling oil.





































