CR..V

※ Oil nipple is installed on products’ head starting from CR 16 V.
● Click on the bearing number below to view the drawing (upper) with applicable dimension for the corresponding bearing number.
Bearing Number
- CR 8V (VR/VUU/VUUR)
- CR 8-1V (VR/VUU/VUUR)
- CR 10V (VR/VUU/VUUR)
- CR 10-1V (VR/VUU/VUUR)
- CR 12V (VR/VUU/VUUR)
- CR 14V (VR/VUU/VUUR)
- CR 16V (VR/VUU/VUUR)
- CR 18V (VR/VUU/VUUR)
- CR 20V (VR/VUU/VUUR)
- CR 22V (VR/VUU/VUUR)
- CR 24V (VR/VUU/VUUR)
- CR 26V (VR/VUU/VUUR)
- CR 28V (VR/VUU/VUUR)
- CR 30V (VR/VUU/VUUR)
- CR 32V (VR/VUU/VUUR)
- CR 36V (VR/VUU/VUUR)
※ You can check the contents by scrolling left / right.
| Stud Diameter G mm (inch) |
Bearing Number | Weight gr. |
Major Dimensions inch/mm |
||||||||||
|---|---|---|---|---|---|---|---|---|---|---|---|---|---|
| No Sealant Applied | Sealant Applied | ||||||||||||
| Cylindrical Outer Ring |
Spherical Outer Ring |
Cylindrical Outer Ring |
Spherical Outer Ring |
||||||||||
| CR..V | CR..VR | CR..VUU | CR..VUUR | H mm |
D | Screw UNF S |
B | B₁ | |||||
| 4.826 | CR 8V | CR 8VR | CR 8VUU | CR 8VUUR | 9 | 3 | 1/2 | 12.700 | NO. 10-32 | 11/32 | 8.731 | 3/8 | 10.220 |
| CR 8-1V | CR 8-1VR | CR 8-1VUU | CR 8-1VUUR | 10 | 3 | 1/2 | 12.700 | NO. 10-32 | 3/8 | 9.525 | 13/32 | 11.000 | |
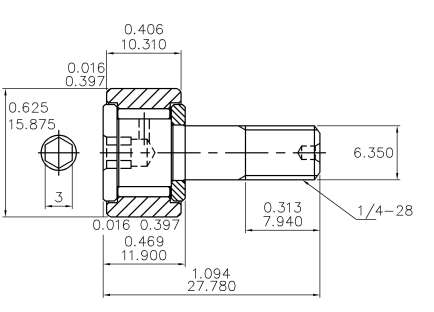
| 6.350 (1/4) | CR 10V | CR 10VR | CR 10VUU | CR 10VUUR | 19 | 3 | 5/8 | 15.875 | 1/4 - 28 | 13/32 | 10.310 | 7/16 | 11.900 |
| CR 10-1V | CR 10-1VR | CR 10-1VUU | CR 10-1VUUR | 21 | 3 | 5/8 | 15.875 | 1/4 - 28 | 7/16 | 11.112 | 15/32 | 12.900 | |
| 9.525 (3/8) | CR 12V | CR 12VR | CR 12VUU | CR 12VUUR | 35 | 4 | 3/4 | 19.050 | 3/8 - 24 | 1/2 | 12.700 | 17/32 | 14.200 |
| CR 14V | CR 14VR | CR 14VUU | CR 14VUUR | 46 | 4 | 7/8 | 22.225 | 3/8 - 24 | 1/2 | 12.700 | 17/32 | 14.200 | |
| 11.112 (7/16) | CR 16V | CR 16VR | CR 16VUU | CR 16VUUR | 73 | 6 | 1 | 25.400 | 7/16 - 20 | 5/8 | 15.875 | 21/32 | 17.300 |
| CR 18V | CR 18VR | CR 18VUU | CR 18VUUR | 88 | 6 | 1 1/8 | 28.575 | 7/16 - 20 | 5/8 | 15.875 | 21/32 | 17.300 | |
| 12.700 (1/2) | CR 20V | CR 20VR | CR 20VUU | CR 20VUUR | 132 | 6 | 1 1/4 | 31.750 | 1/2 - 20 | 3/4 | 19.050 | 25/32 | 20.540 |
| CR 22V | CR 22VR | CR 22VUU | CR 22VUUR | 157 | 6 | 1 3/8 | 34.925 | 1/2 - 20 | 3/4 | 19.050 | 25/32 | 20.540 | |
| 15.875 (5/8) | CR 24V | CR 24VR | CR 24VUU | CR 24VUUR | 225 | 6 | 1 1/2 | 38.100 | 5/8 - 18 | 7/8 | 22.225 | 29/32 | 23.800 |
| CR 26V | CR 26VR | CR 26VUU | CR 26VUUR | 260 | 6 | 1 5/8 | 41.275 | 5/8 - 18 | 7/8 | 22.225 | 29/32 | 23.800 | |
| 19.050 (3/4) | CR 28V | CR 28VR | CR 28VUU | CR 28VUUR | 365 | 8 | 1 3/4 | 44.450 | 3/4 - 16 | 1 | 25.400 | 1 1/32 | 26.194 |
| CR 30V | CR 30VR | CR 30VUU | CR 30VUUR | 410 | 8 | 1 7/8 | 47.625 | 3/4 - 16 | 1 | 25.400 | 1 1/32 | 26.194 | |
| 22.225 (7/8) | CR 32V | CR 32VR | CR 32VUU | CR 32VUUR | 615 | 8 | 2 | 50.800 | 7/8 - 14 | 1 1/4 | 31.750 | 1 9/32 | 33.240 |
| CR 36V | CR 36VR | CR 36VUU | CR 36VUUR | 750 | 8 | 2 1/4 | 57.150 | 7/8 - 14 | 1 1/4 | 31.750 | 1 9/32 | 33.240 | |
※ You can check the contents by scrolling left / right.
| Stud Diameter G mm (inch) |
Bearing Number | Major Dimensions inch/mm |
||||||||||||
|---|---|---|---|---|---|---|---|---|---|---|---|---|---|---|
| No Sealant Applied | Sealant Applied | |||||||||||||
| Cylindrical Outer Ring |
Spherical Outer Ring |
Cylindrical Outer Ring |
Spherical Outer Ring |
|||||||||||
| CR..V | CR..VR | CR..VUU | CR..VUUR | B₃ | M mm |
g₁ mm |
G₁ | B₂ | r | |||||
| 4.826 | CR 8V | CR 8VR | CR 8VUU | CR 8VUUR | 7/8 | 23.019 | 1/4 | 6.400 | 1/64 | 0.397 | ||||
| CR 8-1V | CR 8-1VR | CR 8-1VUU | CR 8-1VUUR | 1 1/32 | 26.980 | 1/4 | 6.400 | 1/64 | 0.397 | |||||
| 6.350 (1/4) | CR 10V | CR 10VR | CR 10VUU | CR 10VUUR | 1 1/16 | 27.780 | 5/16 | 7.940 | 1/64 | 0.397 | ||||
| CR 10-1V | CR 10-1VR | CR 10-1VUU | CR 10-1VUUR | 1 7/32 | 31.750 | 5/16 | 7.940 | 1/64 | 0.397 | |||||
| 9.525 (3/8) | CR 12V | CR 12VR | CR 12VUU | CR 12VUUR | 1 13/32 | 36.510 | 3.9 | 2.0 | 3/8 | 9.525 | 1/4 | 6.500 | 1/32 | 0.794 |
| CR 14V | CR 14VR | CR 14VUU | CR 14VUUR | 1 13/32 | 36.510 | 3.9 | 2.0 | 3/8 | 9.525 | 1/4 | 6.500 | 1/32 | 0.794 | |
| 11.112 (7/16) | CR 16V | CR 16VR | CR 16VUU | CR 16VUUR | 1 21/32 | 42.069 | M6 X 1 | 2.0 | 1/2 | 13.000 | 1/4 | 6.500 | 3/64 | 1.191 |
| CR 18V | CR 18VR | CR 18VUU | CR 18VUUR | 1 21/32 | 42.069 | M6 X 1 | 2.0 | 1/2 | 13.000 | 1/4 | 6.500 | 1/16 | 1.588 | |
| 12.700 (1/2) | CR 20V | CR 20VR | CR 20VUU | CR 20VUUR | 2 1/32 | 52.000 | M6 X 1 | 3.0 | 5/8 | 16.000 | 5/16 | 8.000 | 1/16 | 1.588 |
| CR 22V | CR 22VR | CR 22VUU | CR 22VUUR | 2 1/32 | 52.000 | M6 X 1 | 3.0 | 5/8 | 16.000 | 5/16 | 8.000 | 1/16 | 1.588 | |
| 15.875 (5/8) | CR 24V | CR 24VR | CR 24VUU | CR 24VUUR | 2 13/32 | 61.119 | M6 X 1 | 2.5 | 3/4 | 19.050 | 3/8 | 9.600 | 1/16 | 1.588 |
| CR 26V | CR 26VR | CR 26VUU | CR 26VUUR | 2 12/32 | 61.119 | M6 X 1 | 2.5 | 3/4 | 19.050 | 3/8 | 9.600 | 1/16 | 1.588 | |
| 19.050 (3/4) | CR 28V | CR 28VR | CR 28VUU | CR 28VUUR | 2 25/32 | 70.644 | M6 X 1 | 2.8 | 7/8 | 22.225 | 7/16 | 9.800 | 1/16 | 1.588 |
| CR 30V | CR 30VR | CR 30VUU | CR 30VUUR | 2 25/32 | 70.644 | M6 X 1 | 2.8 | 7/8 | 22.225 | 7/16 | 9.800 | 1/16 | 1.588 | |
| 22.225 (7/8) | CR 32V | CR 32VR | CR 32VUU | CR 32VUUR | 3 9/32 | 84.140 | M6 X 1 | 2.8 | 1 | 26.000 | 1/2 | 12.700 | 1/16 | 1.588 |
| CR 36V | CR 36VR | CR 36VUU | CR 36VUUR | 3 9/32 | 84.140 | M6 X 1 | 2.8 | 1 | 26.000 | 1/2 | 12.700 | 1/16 | 1.588 | |
※ You can check the contents by scrolling left / right.
| Stud Diameter G mm (inch) |
Bearing Number | Installation Dimensions f Minimum inch/mm |
Basic Dynamic Rated Load C/kgf |
Basic Static Rated Load Co/Kgf |
Allowed RPM |
||||
|---|---|---|---|---|---|---|---|---|---|
| No Sealant Applied | Sealant Applied | ||||||||
| Cylindrical Outer Ring |
Spherical Outer Ring |
Cylindrical Outer Ring |
Spherical Outer Ring |
||||||
| CR..V | CR..VR | CR..VUU | CR..VUUR | ||||||
| 4.826 | CR 8V | CR 8VR | CR 8VUU | CR 8VUUR | 21/64 | 8.334 | 390 | 430 | 12,000 |
| CR 8-1V | CR 8-1VR | CR 8-1VUU | CR 8-1VUUR | 21/64 | 8.334 | 430 | 500 | ||
| 6.350 (1/4) | CR 10V | CR 10VR | CR 10VUU | CR 10VUUR | 29/64 | 11.509 | 530 | 700 | 9,000 |
| CR 10-1V | CR 10-1VR | CR 10-1VUU | CR 10-1VUUR | 29/64 | 11.509 | 590 | 780 | ||
| 9.525 (3/8) | CR 12V | CR 12VR | CR 12VUU | CR 12VUUR | 17/32 | 13.494 | 800 | 1,130 | 7,000 |
| CR 14V | CR 14VR | CR 14VUU | CR 14VUUR | 19/32 | 15.081 | 800 | 1,130 | ||
| 11.112 (7/16) | CR 16V | CR 16VR | CR 16VUU | CR 16VUUR | 45/64 | 17.859 | 1,200 | 2,080 | 6,000 |
| CR 18V | CR 18VR | CR 18VUU | CR 18VUUR | 3/4 | 19.050 | 1,200 | 2,080 | ||
| 12.700 (1/2) | CR 20V | CR 20VR | CR 20VUU | CR 20VUUR | 55/64 | 21.828 | 2,160 | 2,910 | 6,000 |
| CR 22V | CR 22VR | CR 22VUU | CR 22VUUR | 55/64 | 21.828 | 2,160 | 2,910 | ||
| 15.875 (5/8) | CR 24V | CR 24VR | CR 24VUU | CR 24VUUR | 1 3/64 | 26.196 | 2,580 | 3,680 | 4,500 |
| CR 26V | CR 26VR | CR 26VUU | CR 26VUUR | 1 3/64 | 26.196 | 2,580 | 3,680 | ||
| 19.050 (3/4) | CR 28V | CR 28VR | CR 28VUU | CR 28VUUR | 1 9/32 | 32.543 | 3,230 | 5,100 | 3,500 |
| CR 30V | CR 30VR | CR 30VUU | CR 30VUUR | 1 9/32 | 32.543 | 3,230 | 5,100 | ||
| 22.225 (7/8) | CR 32V | CR 32VR | CR 32VUU | CR 32VUUR | 1 15/32 | 37.306 | 4,190 | 7,400 | 3,500 |
| CR 36V | CR 36VR | CR 36VUU | CR 36VUUR | 1 15/32 | 37.306 | 4,190 | 7,400 | ||
- Note) Be sure to close the hexagonal plug after assembly or filling oil.





































