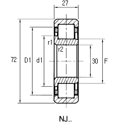
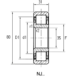
NJ

































● Click on the bearing number below to view the drawing (upper) with applicable dimension for the corresponding bearing number.
Bearing Number
- NU/NJ/NUP/N 204 EC
- NU/NJ 2204 EC
- NU/NJ/NUP/N 304 EC
- NU/NJ/NUP 2304 EC
- NU 1005 EC
- NU/NJ/NUP/N 205 EC
- NU/NJ/NUP 2205 EC
- NU/NJ/NUP/N 305 EC
- NU/NJ/NUP 2305 EC
- NU 1006 EC
- NU/NJ/NUP/N 206 EC
- NU/NJ/NUP/N 2206 EC
- NU/NJ/NUP/N 306 EC
- NU/NJ/NUP 2306 EC
- NU/NJ 406 EC
- NU 1007 EC
- NU/NJ/NUP/N 207 EC
- NU/NJ/NUP/N 2207 EC
- NU/NJ/NUP/N 307 EC
- NU/NJ/NUP 2307 EC
- NU/NJ/NUP 407 EC
※ You can check the contents by scrolling left / right.
| Bearing Number | Major Dimensions mm |
Basic Dynamic Rated Load C N |
Basic Static Rated Load Co N |
Fatigue Load Limit Pu N |
Rated Rotation Lubrication Grease r min |
Oil r min |
Weight kg |
||
|---|---|---|---|---|---|---|---|---|---|
| d | D | B | |||||||
| NU 204 EC | 20 | 47 | 14 | 25,100 | 22,000 | 2,750 | 13,000 | 16,000 | 0.11 |
| NJ 204 EC | 47 | 14 | 25,100 | 22,000 | 2,750 | 13,000 | 16,000 | 0.11 | |
| NUP 204 EC | 47 | 14 | 25,100 | 22,000 | 2,750 | 13,000 | 16,000 | 0.12 | |
| N 204 EC | 47 | 14 | 25,100 | 22,000 | 2,750 | 13,000 | 16,000 | 0.11 | |
| NU 2204 EC | 47 | 18 | 29,700 | 27,500 | 3,450 | 13,000 | 16,000 | 0.14 | |
| NJ 2204 EC | 47 | 18 | 29,700 | 27,500 | 3,450 | 13,000 | 16,000 | 0.14 | |
| NU 304 EC | 52 | 15 | 30,800 | 26,000 | 3,250 | 12,000 | 15,000 | 0.15 | |
| NJ 304 EC | 52 | 15 | 20,800 | 26,000 | 3,250 | 12,000 | 15,000 | 0.15 | |
| NUP 304 EC | 52 | 15 | 20,800 | 26,000 | 3,250 | 12,000 | 15,000 | 0.16 | |
| N 304 EC | 52 | 15 | 20,800 | 26,000 | 3,250 | 12,000 | 15,000 | 0.15 | |
| NU 2304 EC | 52 | 21 | 41,300 | 38,000 | 4,800 | 11,000 | 14,000 | 0.21 | |
| NJ 2304 EC | 52 | 21 | 41,300 | 38,000 | 4,800 | 11,000 | 14,000 | 0.22 | |
| NUP 2304 EC | 52 | 21 | 41,300 | 38,000 | 4,800 | 11,000 | 14,000 | 0.22 | |
| NU 1105 EC | 25 | 47 | 12 | 14,200 | 13,200 | 1,400 | 15,000 | 18,000 | 0.084 |
| NU 205 EC | 52 | 15 | 28,600 | 27,000 | 3,350 | 11,000 | 14,000 | 0.13 | |
| NJ 205 EC | 52 | 15 | 28,600 | 27,000 | 3,350 | 11,000 | 14,000 | 0.14 | |
| NUP 205 EC | 52 | 15 | 28,600 | 27,000 | 3,350 | 11,000 | 14,000 | 0.14 | |
| N 205 EC | 52 | 15 | 28,600 | 27,000 | 3,350 | 11,000 | 14,000 | 0.13 | |
| NU 2205 EC | 52 | 18 | 34,100 | 34,000 | 4,250 | 11,000 | 14,000 | 0.16 | |
| NJ 2205 EC | 52 | 18 | 34,100 | 34,000 | 4,250 | 11,000 | 14,000 | 0.17 | |
| NUP 2205 EC | 52 | 18 | 34,100 | 34,000 | 4,250 | 11,000 | 14,000 | 0.17 | |
| NU 305 EC | 62 | 17 | 40,200 | 36,500 | 4,550 | 9,500 | 12,000 | 0.24 | |
| NJ 305 EC | 62 | 17 | 40,200 | 36,500 | 4,550 | 9,500 | 12,000 | 0.25 | |
| NUP 305 EC | 62 | 17 | 40,200 | 36,500 | 4,550 | 9,500 | 12,000 | 0.25 | |
| N 305 EC | 62 | 17 | 40,200 | 36,500 | 4,550 | 9,500 | 12,000 | 0.24 | |
| NU 2305 EC | 62 | 24 | 56,100 | 55,000 | 6,950 | 9,000 | 11,000 | 0.35 | |
| NJ 2305 EC | 62 | 24 | 56,100 | 55,000 | 6,950 | 9,000 | 11,000 | 0.36 | |
| NUP 2305 EC | 62 | 24 | 56,100 | 55,000 | 6,950 | 9,000 | 11,000 | 0.38 | |
| NU 1006 EC | 30 | 55 | 13 | 17,900 | 17,300 | 18,600 | 12,000 | 15,000 | 0.12 |
| NU 206 EC | 62 | 16 | 38,000 | 36,500 | 4,550 | 9,500 | 12,000 | 0.20 | |
| NJ 206 EC | 62 | 16 | 38,000 | 36,500 | 4,550 | 9,500 | 12,000 | 0.21 | |
| NUP 206 EC | 62 | 16 | 38,000 | 36,500 | 4,550 | 9,500 | 12,000 | 0.22 | |
| N 206 EC | 62 | 16 | 38,000 | 36,500 | 4,550 | 9,500 | 12,000 | 0.20 | |
| NU 2206 EC | 62 | 20 | 48,400 | 49,000 | 6,100 | 9,500 | 12,000 | 0.26 | |
| NJ 2206 EC | 62 | 20 | 48,400 | 49,000 | 6,100 | 9,500 | 12,000 | 0.27 | |
| NUP 2206 EC | 62 | 20 | 48,400 | 49,000 | 6,100 | 9,500 | 12,000 | 0.27 | |
| N 2206 EC | 62 | 20 | 48,400 | 49,000 | 6,100 | 9,500 | 12,000 | 0.26 | |
| NU 306 EC | 72 | 19 | 51,200 | 48,000 | 6,200 | 9,000 | 11,000 | 0.36 | |
| NJ 306 EC | 72 | 19 | 51,200 | 48,000 | 6,200 | 9,000 | 11,000 | 0.37 | |
| NUP 306 EC | 72 | 19 | 51,200 | 48,000 | 6,200 | 9,000 | 11,000 | 0.38 | |
| N 306 EC | 72 | 19 | 51,200 | 48,000 | 6,200 | 9,000 | 11,000 | 0.36 | |
| NU 2306 EC | 72 | 27 | 73,700 | 75,000 | 9,650 | 8,000 | 9,500 | 0.53 | |
| NJ 2306 EC | 72 | 27 | 73,700 | 75,000 | 9,650 | 8,000 | 9,500 | 0.54 | |
| NUP 2306 EC | 72 | 27 | 73,700 | 75,000 | 9,650 | 8,000 | 9,500 | 0.55 | |
| NU 406 EC | 90 | 23 | 60,500 | 53,000 | 6,800 | 7,500 | 9,000 | 0.75 | |
| NJ 406 EC | 90 | 23 | 60,500 | 53,000 | 6,800 | 7,500 | 9,000 | 0.77 | |
| NU 1007 EC | 35 | 62 | 14 | 35,800 | 38,000 | 4,550 | 10,000 | 13,000 | 0.16 |
| NU 207 EC | 72 | 17 | 48,400 | 48,000 | 6,100 | 8,500 | 10,000 | 0.30 | |
| NJ 207 EC | 72 | 17 | 48,400 | 48,000 | 6,100 | 8,500 | 10,000 | 0.31 | |
| NUP 207 EC | 72 | 17 | 48,400 | 48,000 | 6,100 | 8,500 | 10,000 | 0.31 | |
| N 207 EC | 72 | 17 | 48,400 | 48,000 | 6,100 | 8,500 | 10,000 | 0.30 | |
| NU 2207 EC | 72 | 23 | 59,400 | 63,000 | 8,150 | 8,500 | 10,000 | 0.40 | |
| NJ 2207 EC | 72 | 23 | 59,400 | 63,000 | 8,150 | 8,500 | 10,000 | 0.41 | |
| NUP 2207 EC | 72 | 73 | 59,400 | 63,000 | 8,150 | 8,500 | 10,000 | 0.42 | |
| N 2207 EC | 72 | 23 | 59,400 | 63,000 | 8,150 | 8,500 | 10,000 | 0.40 | |
| NU 307 EC | 80 | 21 | 64,400 | 63,000 | 8,150 | 8,000 | 9,500 | 0.48 | |
| NJ 307 EC | 80 | 21 | 64,400 | 63,000 | 8,150 | 8,000 | 9,500 | 0.49 | |
| NUP 307 EC | 80 | 21 | 64,400 | 63,000 | 8,150 | 8,000 | 9,500 | 0.51 | |
| N 307 EC | 80 | 21 | 64,400 | 63,000 | 8,150 | 8,000 | 9,500 | 0.48 | |
| NU 2307 EC | 80 | 31 | 91,300 | 98,000 | 12,700 | 7,000 | 8,500 | 0.72 | |
| NJ 2307 EC | 80 | 31 | 91,300 | 98,000 | 12,700 | 7,000 | 8,500 | 0.73 | |
| NUP 2307 EC | 80 | 31 | 91,300 | 98,000 | 12,700 | 7,000 | 8,500 | 0.75 | |
| NU 407 EC | 100 | 25 | 76,500 | 69,500 | 9,000 | 6,700 | 8,000 | 1.00 | |
| NJ 407 EC | 100 | 25 | 76,500 | 69,500 | 9,000 | 6,700 | 8,000 | 1.05 | |
| NUP 407 EC | 100 | 25 | 76,500 | 69,500 | 9,000 | 67,000 | 8,000 | 1.05 | |



