SB
● Click on the bearing number below to view the drawing (upper) with applicable dimension for the corresponding bearing number.
Bearing Number
※ You can check the contents by scrolling left / right.
| Bearing Number |
Weight gr. |
Major Dimensions mm |
Dynamic Load Capacity C/Kgf |
Static Load Capacity Co/Kgf |
|||||||
|---|---|---|---|---|---|---|---|---|---|---|---|
| d | D | B | B1 | d1 | ø | r | a | ||||
| SB 12 | 19 | 12 | 22 | 9 | 11 | 14 | 18 | 0.5 | 7 | 1,620 | 9,720 |
| SB 15 | 28 | 15 |
26 | 11 | 13 | 17.5 | 22 | 0.5 | 6 | 2,420 | 14,500 |
| SB 20 | 53 | 20 |
32 | 14 | 16 | 23 | 28 | 0.5 | 4 | 3,920 | 23,500 |
| SB 22 | 85 | 22 | 37 | 16 | 19 | 25.5 | 32 | 0.5 | 6 | 5,120 | 30,700 |
| SB 25 | 116 | 25 | 42 | 18 | 21 | 29 | 36 | 0.5 | 5 | 6,480 | 38,900 |
| SB 30 | 225 | 30 | 50 | 23 | 27 | 36 | 45 | 1 | 6 | 10,400 | 62,100 |
| SB 35 | 300 | 35 | 55 | 26 | 30 | 40 | 50 | 1 | 5 | 13,000 | 78,000 |
| SB 40 | 375 | 40 | 62 | 28 | 33 | 44 | 55 | 1 | 6 | 15,400 | 92,400 |
| SB 45 | 600 | 45 | 72 | 31 | 36 | 50.5 | 62 | 1 | 5 | 19,200 | 115,000 |
| SB 50 | 870 | 50 | 80 | 36 | 42 | 58.5 | 72 | 1 | 5 | 25,900 | 156,000 |
| SB 55 | 1,260 | 55 | 90 | 40 | 47 | 64.5 | 80 | 1 | 6 | 32,000 | 192,000 |
| SB 60 | 1,700 | 60 | 100 | 45 | 53 | 72.5 | 90 | 1 | 6 | 40,500 | 243,000 |
| SB 65 | 2,050 | 65 | 105 | 47 | 55 | 76 | 94 | 1 | 5 | 44,200 | 265,000 |
| SB 70 | 2,220 | 70 | 110 | 50 | 58 | 81.5 | 100 | 1 | 5 | 50,000 | 300,000 |
| SB 75 | 3,020 | 75 | 120 | 55 | 64 | 89.5 | 110 | 1 | 5 | 60,500 | 363,000 |
| SB 80 | 3,980 | 80 | 130 | 60 | 70 | 97.5 | 120 | 1 | 5 | 72,000 | 432,000 |
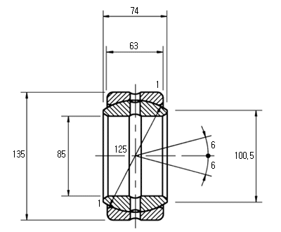
| SB 85 | 4,290 | 85 | 135 | 63 | 74 | 100.5 | 125 | 1 | 6 | 78,800 | 473,000 |
| SB 90 | 4,710 | 90 | 140 | 65 | 76 | 105.5 | 130 | 1 | 5 | 84,500 | 507,000 |
| SB 95 | 6,050 | 95 | 150 | 70 | 82 | 113.5 | 140 | 1 | 5 | 98,000 | 588,000 |
| SB 100 | 7,420 | 100 | 160 | 75 | 88 | 121.5 | 150 | 1.5 | 5 | 113,000 | 675,000 |
| SB 110 | 8,550 | 110 | 170 | 80 | 93 | 130 | 160 | 1.5 | 5 | 128,000 | 768,000 |
| SB 115 | 10,300 | 115 | 180 | 85 | 98 | 132.5 | 165 | 1.5 | 5 | 140,000 | 842,000 |
| SB 120 | 12,400 | 120 | 190 | 90 | 105 | 140 | 175 | 1.5 | 6 | 158,000 | 945,000 |
| SB 130 | 13,800 | 130 | 200 | 95 | 110 | 148.5 | 185 | 1.5 | 5 | 176,000 | 1,050,000 |
| SB 150 | 17,000 | 150 | 220 | 105 | 120 | 166 | 205 | 1.5 | 5 | 215,000 | 1,290,000 |
- Note) Currently, up to SB 150 is being manufactured.





























