CFH

● Haga clic en el número de modelo abajo para ver el dibujo (arriba) con la dimensión aplicable para el numero de modelo correspondiente.
Bearing Number
※ Puede comprobar el contenido desplazándose hacia la izquierda / derecha.
| Stud Diameter G mm |
Bearing Number | Weight gr. |
Major Dimensions mm |
Installation Dimensions f Minimum mm |
Basic Dynamic Rated Load C/kgf |
Basic Static Rated Load Co/Kgf |
Allowed RPM |
||||||||||||||
|---|---|---|---|---|---|---|---|---|---|---|---|---|---|---|---|---|---|---|---|---|---|
| No Sealant Applied | Sealant Applied | ||||||||||||||||||||
| No Sealant Applied |
Sealant Applied |
No Sealant Applied |
Sealant Applied |
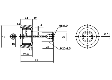
H | D | Screw S | B | B₁ | B₃ | M | g₁ | G₁ | B₂ | e | r | ||||||
| CFH.. | CFH..R | CFH..UU | CFH..UUR | ||||||||||||||||||
| 12 | CFH 12 | CFH 12 R | CFH 12 UU | CFH 12 UUR | 95 | 6 | 30 | M12X 1.5 | 14 | 15 | 40 | M6 X 1 |
3 | 14 | 6 | 0.4 | 1.5 | 20 | 730 | 900 | 14,000 |
| CFH 12-1 | CFH 12-1 R | CFH 12-1 UU | CFH 12-1 UUR | 105 | 32 | ||||||||||||||||
| 16 | CFH 16 | CFH 16 R | CFH 16 UU | CFH 16 UUR | 170 | 6 | 35 | M16 X 1.5 | 18 | 19.5 | 52 | M6 X 1 | 3 | 18 | 8 | 0.5 | 1.5 | 24 | 1,100 | 1,680 | 10,000 |
| 18 | CFH 18 | CFH 18 R | CFH 18 UU | CFH 18 UUR | 250 | 10 | 40 | M18 X 1.5 | 20 | 21.5 | 58 | M6 X 1 | 3 | 20 | 10 | 0.6 | 1.5 | 26 | 1,350 | 2,310 | 8,500 |
| 20 | CFH 20 | CFH 20 R | CFH 20 UU | CFH 20 UUR | 460 | 10 | 52 | M20 X 1.5 | 24 | 25.5 | 66 | M6 X 1 | 4 | 22 | 12 | 0.7 | 1.5 | 36 | 1,900 | 3,180 | 7,000 |
| CFH 20-1 | CFH 20-1 R | CFH 20-1 UU | CFH 20-1 UUR | 385 | 47 | ||||||||||||||||
| 24 | CFH 24 | CFH 24 R | CFH 24 UU | CFH 24 UUR | 815 | 12 | 62 | M24 X 1.5 | 29 | 30.5 | 80 | M6 X 1 | 4 | 25 | 12 | 0.8 | 1.5 | 40 | 2,800 | 4,330 | 6,500 |
| CFH 24-1 | CFH 24-1 R | CFH 24-1 UU | CFH 24-1 UUR | 1,140 | 72 | ||||||||||||||||
| 30 | CFH 30 | CFH 30R | CFH 30 UU | CFH 30 UUR | 1,870 | 12 | 80 | M30 X 1.5 | 35 | 37 | 100 | M6 X 1 | 4 | 32 | 15 | 1.0 | 2 | 46 | 4,170 | 7,810 | 5,000 |
| CFH 30-1 | CFH 30-1 R | CFH 30-1 UU | CFH 30-1 UUR | 2,030 | 85 | ||||||||||||||||
| CFH 30-2 | CFH 30-2R | CFH 30-2 UU | CFH 30-2 UUR | 2,220 | 90 | ||||||||||||||||
- Nota) Este producto se fabrica a pedido.



























