ZBL
● Haga clic en el número de modelo abajo para ver el dibujo (arriba) con la dimensión aplicable para el numero de modelo correspondiente.
※ Puede comprobar el contenido desplazándose hacia la izquierda / derecha.
| Bearing Number |
Weight grf. |
Screw S |
Major Dimensions mm |
Tilting Angle Yield θ |
Strength Static Load Pk/Kgf |
Capacity Co/Kgf |
|||||||||||||||||||||
|---|---|---|---|---|---|---|---|---|---|---|---|---|---|---|---|---|---|---|---|---|---|---|---|---|---|---|---|
| D | L | L1 | L2 | L3 | D1 | W 0 -0.3 |
D2 | d | ℓ | ℓ1 | ℓ2 | ℓ3 | ℓ4 | ℓ5 ±0.3 | d1 | B 0 -0.3 |
Ball Diameter ø / mm |
||||||||||
| ZBL 5 | 24 | M5 x 0,8 | 9 | 35 | 27 | 14 | 4 | 11 | 9 | 16 | 5 | 30.76 | 24.6 | 13 | 10 | 3 | 11.6 | 9 | 8 | 11.11 | 50° |
230 | 940 | ||||
| ZBL 6 | 37 | M6 x 1.0 | 10 |
40 | 30 | 14 | 5 | 13 | 11 | 19 | 6 | 34.05 | 27.1 | 15 | 12 | 3 | 12.1 | 9.2 | 8 | 12.7 | 50° |
360 | 1,230 | ||||
| ZBL 8 | 67 | M8 x 1.25 | 13 |
49 | 37.3 | 17 | 5 | 16 | 14 | 23 | 8 | 39.94 | 30.75 | 17 | 14 | 3 | 13.75 | 13.2 | 12 | 15.87 | 50° | 670 | 1,950 | ||||
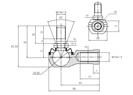
| ZBL 10 | 110 | M10 x 1.25 | 15 | 58 | 43 | 20 | 6.5 | 19 | 17 | 28 | 10 | 48.53 | 38 | 21 | 17.5 | 3.5 | 17 | 15.4 | 14 | 19.05 | 50° | 1,090 | 2,810 | ||||
| ZBL 10B | 113 | M10 x 1.5 | 52.53 | 42 | 25 | 21 | 4 | ||||||||||||||||||||
| ZBL 12 | 165 | M12 x 1.25 | 17.5 | 66 | 50 | 24 | 8 | 22 | 19 | 32 | 12 | 54.11 | 42 | 23 | 17 | 6 | 19 | 18.7 | 17 | 22.22 | 50° | 1,670 | 3,820 | ||||
| ZBL 12B | 170 | M12 x 1.75 | 61.11 | 49 | 30 | 24 | 6 | ||||||||||||||||||||
| ZBL 14 | 255 | M14 x 1.5 | 20 | 75 | 57 | 25 | 8 | 25 | 22 | 36 | 14 | 71.95 | 58 | 34.5 | 30.5 | 4 | 23.5 | 21 | 19 | 25.4 | 50° | 2,020 | 4,990 | ||||
| ZBL 14B | 260 | M14 x 2.0 | 77.95 | 64 | 40.5 | 36.5 | 4 | ||||||||||||||||||||
| ZBL 16 | 335 | M16 x 1.5 | 22 | 83.5 | 64 | 31 | 10 | 27 | 22 | 39 | 16 | 74.2 | 60 | 36.5 | 32.5 | 4 | 23.5 | 22 | 20 | 25.4 | 40° | 2,740 | 4,990 | ||||
| ZBL 18 | 465 | M18 x 1.5 | 25 | 93 | 71 | 34 | 11 | 31 | 27 | 44 | 18 | 85.29 | 69.5 | 41.5 | 25 | 16.5 | 28 | 24.5 | 22 | 28.57 | 40° | 3,400 | 6.310 | ||||
- "Z" de ZBL significa que el cuerpo del producto está hecho de aleación de zinc.















