CF..VM

※ El niple lubricador se instala en la cabeza de los productos a partir del modelo CF 12 VM.
● Haga clic en el número de modelo abajo para ver el dibujo (arriba) con la dimensión aplicable para el numero de modelo correspondiente.
Bearing Number
- CF 3VM (R/UU/UUR)
- CF 4VM (R/UU/UUR)
- CF 5VM (R/UU/UUR)
- CF 6VM (R/UU/UUR)
- CF 8VM (R/UU/UUR)
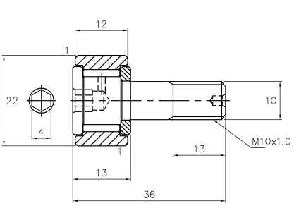
- CFA 10VM (R/UU/UUR)
- CFA 10-1VM (R/UU/UUR)
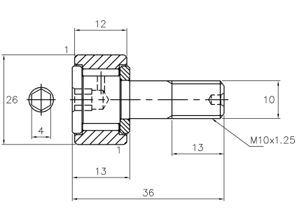
- CF 10VM (R/UU/UUR)
- CF 10-1VM (R/UU/UUR)
- CF 12VM (R/UU/UUR)
- CF 12-1VM (R/UU/UUR)
- CF 16VM (R/UU/UUR)
- CF 18VM (R/UU/UUR)
- CF 20VM (R/UU/UUR)
- CF 20-1VM (R/UU/UUR)
- CF 24VM (R/UU/UUR)
- CF 24-1VM (R/UU/UUR)
- CF 30VM (R/UU/UUR)
- CF 30-1VM (R/UU/UUR)
- CF 30-2VM (R/UU/UUR)
※ Puede comprobar el contenido desplazándose hacia la izquierda / derecha.
| Stud Diameter G mm |
Bearing Number | Weight gr. |
Major Dimensions mm |
Installation Dimensions f Minimum mm |
Basic Dynamic Rated Load C/kgf |
Basic Static Rated Load Co/Kgf |
Allowed RPM |
|||||||||||||
|---|---|---|---|---|---|---|---|---|---|---|---|---|---|---|---|---|---|---|---|---|
| No Sealant Applied | Sealant Applied | |||||||||||||||||||
| Cylindrical Outer Ring |
Spherical Outer Ring |
Cylindrical Outer Ring |
Spherical Outer Ring |
H | D | Screw S | B | B₁ | B₃ | M | g₁ | G₁ | B₂ | r | ||||||
| CF..VM | CF..VMR | CF..VMUU | CF..VMUUR | |||||||||||||||||
| 3 | CF 3VM | CF 3VMR | CF 3VMUU | CF 3VMUUR | 5 | 2 | 10 | M3 x 0.5 | 7 | 8 | 17 | 5 | 0.3 | 6.8 | 210 | 360 | 18,000 | |||
| 4 | CF 4VM | CF 4VMR | CF 4VMUU | CF 4VMUUR | 8 | 2.5 | 12 | M4 x 0.7 | 8 | 9 | 20 | 6 | 0.5 | 8.6 | 300 | 440 | 13,500 | |||
| 5 | CF 5VM | CF 5VMR | CF 5VMUU | CF 5VMUUR | 11 | 3 | 13 | M 5 x 0.8 | 9 | 10 | 23 | 7.5 | 0.5 | 9.7 | 360 | 520 | 13,500 | |||
| 6 | CF 6VM | CF 6VMR | CF 6VMUU | CF 6VMUUR | 19 |
3 | 16 | M 6 x 1.0 | 11 | 12 | 28 | 9 | 0.5 | 11 | 520 | 630 | 10,800 | |||
| 8 | CF 8VM | CF 8VMR | CF 8VMUU | CF 8VMUUR | 29 | 4 | 19 | M 8x 1.25 | 11 | 12 | 32 | 11 | 0.5 | 13 | 600 | 830 | 8,100 | |||
| 10 | CFA 10VM | CFA 10VMR | CFA 10VMUU | CFA 10VMUUR | 46 | 4 | 22 | M10 x 1.0 | 12 | 13 | 36 | 13 | 1 | 15 | 700 | 1,070 | 6,300 | |||
| CFA 10-1VM | CFA 10-1VMR | CFA 10-1VMUU | CFA 10-1VMUUR | 61 | 26 | |||||||||||||||
| 10 | CF 10VM | CF 10VMR | CF 10VMUU | CF 10VMUUR | 46 | 4 | 22 | M10 x 1.25 | 12 | 13 | 36 | 13 | 1 | 15 | 700 | 1,070 | 6,300 | |||
| CF 10-1VM | CF 10-1VMR | CF 10-1VMUU | CF 10-1VMUUR | 61 | 26 | |||||||||||||||
| 12 | CF 12VM | CF 12VMR | CF 12VMUU | CF 12VMUUR | 97 | 6 | 30 | M12 x 1.5 | 14 | 15 | 40 | M6 x 1 | 3 | 14 | 6 | 1.5 | 20 | 990 | 1,450 | 5,400 |
| CF 12-1VM | CF 12-1VMR | CF 12-1VMUU | CF 12-1VMUUR | 107 | 32 | |||||||||||||||
| 16 | CF 16VM | CF 16VMR | CF 16VMUU | CF 16VMUUR | 173 | 6 | 35 | M16 x 1.5 | 18 | 19.5 | 52 | M6 x 1 | 3 | 18 | 8 | 1.5 | 24 | 1,520 | 2,770 | 4,050 |
| 18 | CF 18VM | CF 18VMR | CF 18VMUU | CF 18VMUUR | 255 | 10 | 40 | M18 x 1.5 | 20 | 21.5 | 58 | M6 x 1 | 3 | 20 | 10 | 1.5 | 26 | 1,860 | 3,780 | 3,150 |
| 20 | CF 20VM | CF 20VMR | CF 20VMUU | CF 20VMUUR | 465 | 10 | 52 | M20 x 1.5 | 24 | 25.5 | 66 | M6 x 1 | 4 | 22 | 12 | 1.5 | 36 | 2,440 | 4,740 | 3,150 |
| CF 20-1VM | CF 20-1VMR | CF 20-1VMUU | CF 20-1VMUUR | 390 | 47 | |||||||||||||||
| 24 | CF 24VM | CF 24VMR | CF 24VMUU | CF 24VMUUR | 820 | 12 | 62 | M24 x 1.5 | 29 | 30.5 | 80 | M6 x 1 | 4 | 25 | 12 | 1.5 | 40 | 3,430 | 6,760 | 2,700 |
| CF 24-1VM | CF 24-1VMR | CF 24-1VMUU | CF 24-1VMUUR | 1,140 | 72 | |||||||||||||||
| 30 | CF 30VM | CF 30VMR | CF 30VMUU | CF 30VMUUR | 1,870 | 12 | 80 | M30 x 1.5 | 35 | 37 | 100 | M6 x 1 | 4 | 32 | 15 | 2 | 46 | 4,970 | 10,590 | 1,800 |
| CF 30-1VM | CF 30-1VMR | CF 30-1VMUU | CF 30-1VMUUR | 2.030 | 85 | |||||||||||||||
| CF 30-2VM | CF 30-2VMR | CF 30-2VMUU | CF 30-2VMUUR | 2,220 | 90 | |||||||||||||||
- Nota) Para las series CFA10 y CFA10-1, la rosca de la parte del espárrago es M10 x 1.0.
- Nota) Asegúrese de cerrar el tapón hexagonal después del montaje o llenado de aceite.













































