CR

※ 从CR 16开始,头部安装了加油喷嘴。
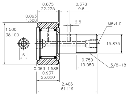
● 点击下端的名称代码,即可确认适用对应数值的图纸(上端)。
Bearing Number
※ 您可以通过向左/向右滚动来检查内容。
| Stud Diameter G mm (inch) |
Bearing Number | Weight gr. |
Major Dimensions inch/mm |
||||||||||||||
|---|---|---|---|---|---|---|---|---|---|---|---|---|---|---|---|---|---|
| No Sealant Applied | Sealant Applied | ||||||||||||||||
| Cylindrical Outer Ring | Spherical Outer Ring | Cylindrical Outer Ring | Spherical Outer Ring | H mm |
D | Screw UNF S |
B | B₁ | B₃ | M mm |
g₁ mm |
||||||
| CR.. | CR..R | CR..UU | CR..UUR | ||||||||||||||
| 4.826 | CR 8 | CR 8R | CR 8UU | CR 8UUR | 9 | 3 | 1/2 | 12.700 | NO. 10-32 | 11/32 | 8.731 | 3/8 | 10.220 | 7/8 |
23.019 | ||
| CR 8-1 | CR 8-1R | CR 8-1UU | CR 8-1UUR | 10 | 3 | 1/2 | 12.700 | NO. 10-32 | 3/8 | 9.525 | 13/32 | 11.000 | 1 1/32 | 26.980 | |||
| 6.350 (1/4) |
CR 10 | CR 10R | CR 10UU | CR 10UUR | 19 | 3 | 5/8 | 15.875 | 1/4 - 28 | 13/32 | 10.310 | 7/16 | 11.900 | 1 1/16 | 27.780 | ||
| CR 10-1 | CR 10-1R | CR 10-1UU | CR 10-1UUR | 21 | 3 | 5/8 | 15.875 | 1/4 - 28 | 7/16 | 11.112 | 15/32 | 12.900 | 1 7/32 | 31.750 | |||
| 9.525 (3/8) |
CR 12 | CR 12R | CR 12UU | CR 12UUR | 35 | 4 | 3/4 | 19.050 | 3/8 - 24 | 1/2 | 12.700 | 17/32 | 14.200 | 1 13/32 | 36.510 | 3.9 | 2.0 |
| CR 14 | CR 14R | CR 14UU | CR 14UUR | 46 | 4 | 7/8 | 22.225 | 3/8 - 24 | 1/2 | 12.700 | 17/32 | 14.200 | 1 13/32 | 36.510 | 3.9 | 2.0 | |
| 11.112 (7/16) |
CR 16 | CR 16R | CR 16UU | CR 16UUR | 73 | 6 | 1 | 25.400 | 7/16 - 20 | 5/8 | 15.875 | 21/32 | 17.300 | 1 21/32 | 42.069 | M6 X 1 | 2.0 |
| CR 18 | CR 18R | CR 18UU | CR 18UUR | 88 | 6 | 1 1/8 | 28.575 | 7/16 - 20 | 5/8 | 15.875 | 21/32 | 17.300 | 1 21/32 | 42.069 | M6 X 1 | 2.0 | |
| 12.700 (1/2) |
CR 20 | CR 20R | CR 20UU | CR 20UUR | 132 | 6 | 1 1/4 | 31.750 | 1/2 - 20 | 3/4 | 19.050 | 25/32 | 20.540 | 2 1/32 | 52.000 | M6 X 1 | 3.0 |
| CR 22 | CR 22R | CR 22UU | CR 22UUR | 157 | 6 | 1 3/8 | 34.925 | 1/2 - 20 | 3/4 | 19.050 | 25/32 | 20.540 | 2 1/32 | 52.000 | M6 X 1 | 3.0 | |
| 15.875 (5/8) |
CR 24 | CR 24R | CR 24UU | CR 24UUR | 225 | 6 | 1 1/2 | 38.100 | 5/8 - 18 | 7/8 | 22.225 | 29/32 | 23.800 | 2 13/32 | 61.119 | M6 X 1 | 2.5 |
| CR 26 | CR 26R | CR 26UU | CR 26UUR | 260 | 6 | 1 5/8 | 41.275 | 5/8 - 18 | 7/8 | 22.225 | 29/32 | 23.800 | 2 12/32 | 61.119 | M6 X 1 | 2.5 | |
| 19.050 (3/4) |
CR 28 | CR 28R | CR 28UU | CR 28UUR | 365 | 8 | 1 3/4 | 44.450 | 3/4 - 16 | 1 | 25.400 | 1 1/32 | 26.194 | 2 25/32 | 70.644 | M6 X 1 | 2.8 |
| CR 30 | CR 30R | CR 30UU | CR 30UUR | 410 | 8 | 1 7/8 | 47.625 | 3/4 - 16 | 1 | 25.400 | 1 1/32 | 26.194 | 2 25/32 | 70.644 | M6 X 1 | 2.8 | |
| 22.225 (7/8) |
CR 32 | CR 32R | CR 32UU | CR 32UUR | 615 | 8 | 2 | 50.800 | 7/8 - 14 | 1 1/4 | 31.750 | 1 9/32 | 33.240 | 3 9/32 | 84.140 | M6 X 1 | 2.8 |
| CR 36 | CR 36R | CR 36UU | CR 36UUR | 750 | 8 | 2 1/4 | 57.150 | 7/8 - 14 | 1 1/4 | 31.750 | 1 9/32 | 33.240 | 3 9/32 | 84.140 | M6 X 1 | 2.8 | |
※ 您可以通过向左/向右滚动来检查内容。
| Stud Diameter G mm (inch) |
Bearing Number | Major Dimensions inch/mm |
Installation Dimensions f Minimum inch/mm |
Basic Dynamic Rated Load C/kgf |
Basic Static Rated Load Co/Kgf |
Allowed RPM |
|||||||||
|---|---|---|---|---|---|---|---|---|---|---|---|---|---|---|---|
| No Sealant Applied | Sealant Applied | ||||||||||||||
| Cylindrical Outer Ring | Spherical Outer Ring | Cylindrical Outer Ring | Spherical Outer Ring | G₁ | B₂ | r | |||||||||
| CR.. | CR..R | CR..UU | CR..UUR | ||||||||||||
| 4.826 | CR 8 | CR 8R | CR 8UU | CR 8UUR | 1/4 | 6.400 | 1/64 | 0.397 | 21/64 | 8.334 | 230 | 200 | 28,000 | ||
| CR 8-1 | CR 8-1R | CR 8-1UU | CR 8-1UUR | 1/4 | 6.400 | 1/64 | 0.397 | 21/64 | 8.334 | 230 | 200 | 28,000 | |||
| 6.350 (1/4) |
CR 10 | CR 10R | CR 10UU | CR 10UUR | 5/16 | 7.940 | 1/64 | 0.397 | 29/64 | 11.509 | 330 | 330 | 21,000 | ||
| CR 10-1 | CR 10-1R | CR 10-1UU | CR 10-1UUR | 5/16 | 7.940 | 1/64 | 0.397 | 29/64 | 11.509 | 330 | 330 | 21,000 | |||
| 9.525 (3/8) |
CR 12 | CR 12R | CR 12UU | CR 12UUR | 3/8 | 9.525 | 1/4 | 6.500 | 1/32 | 0.794 | 17/32 | 13.494 | 410 | 470 | 15,000 |
| CR 14 | CR 14R | CR 14UU | CR 14UUR | 3/8 | 9.525 | 1/4 | 6.500 | 1/32 | 0.794 | 19/32 | 15.081 | 440 | 530 | 14,000 | |
| 11.112 (7/16) |
CR 16 | CR 16R | CR 16UU | CR 16UUR | 1/2 | 13.000 | 1/4 | 6.500 | 3/64 | 1.191 | 45/64 | 17.859 | 810 | 990 | 13,000 |
| CR 18 | CR 18R | CR 18UU | CR 18UUR | 1/2 | 13.000 | 1/4 | 6.500 | 1/16 | 1.588 | 3/4 | 19.050 | 850 | 1,060 | 12,000 | |
| 12.700 (1/2) |
CR 20 | CR 20R | CR 20UU | CR 20UUR | 5/8 | 16.000 | 5/16 | 8.000 | 1/16 | 1.588 | 55/64 | 21.828 | 1,310 | 1,470 | 11,000 |
| CR 22 | CR 22R | CR 22UU | CR 22UUR | 5/8 | 16.000 | 5/16 | 8.000 | 1/16 | 1.588 | 55/64 | 21.828 | 1,310 | 1,470 | 11,000 | |
| 15.875 (5/8) |
CR 24 | CR 24R | CR 24UU | CR 24UUR | 3/4 | 19.050 | 3/8 | 9.600 | 1/16 | 1.588 | 1 3/64 | 26.196 | 1,700 | 2,220 | 8,500 |
| CR 26 | CR 26R | CR 26UU | CR 26UUR | 3/4 | 19.050 | 3/8 | 9.600 | 1/16 | 1.588 | 1 3/64 | 26.196 | 1,700 | 2,220 | 8,500 | |
| 19.050 (3/4) |
CR 28 | CR 28R | CR 28UU | CR 28UUR | 7/8 | 22.225 | 7/16 | 9.800 | 1/16 | 1.588 | 1 9/32 | 32.543 | 2,300 | 3,510 | 7,000 |
| CR 30 | CR 30R | CR 30UU | CR 30UUR | 7/8 | 22.225 | 7/16 | 9.800 | 1/16 | 1.588 | 1 9/32 | 32.543 | 2,300 | 3,510 | 7,000 | |
| 22.225 (7/8) |
CR 32 | CR 32R | CR 32UU | CR 32UUR | 1 | 26.000 | 1/2 | 12.700 | 1/16 | 1.588 | 1 15/32 | 37.306 | 2,980 | 5,860 | 5,500 |
| CR 36 | CR 36R | CR 36UU | CR 36UUR | 1 | 26.000 | 1/2 | 12.700 | 1/16 | 1.588 | 1 15/32 | 37.306 | 2,980 | 5,860 | 5,500 | |
- 备注)该产品是根据定制进行生产的。





































