CF..V

※ 从CF 12V开始,头部安装了加油喷嘴。
● 点击下端的名称代码,即可确认适用对应数值的图纸(上端)。
Bearing Number
- CF 3V (R/UU/UUR)
- CF 4V (R/UU/UUR)
- CF 5V (R/UU/UUR)
- CF 6V (R/UU/UUR)
- CF 8V (R/UU/UUR)
- CFA 10V (R/UU/UUR)
- CFA 10-1V (R/UU/UUR)
- CF 10V (R/UU/UUR)
- CF 10-1V (R/UU/UUR)
- CF 12V (R/UU/UUR)
- CF 12-1V (R/UU/UUR)
- CF 16V (R/UU/UUR)
- CF 18V (R/UU/UUR)
- CF 20V (R/UU/UUR)
- CF 20-1V (R/UU/UUR)
- CF 24V (R/UU/UUR)
- CF 24-1V (R/UU/UUR)
- CF 30V (R/UU/UUR)
- CF 30-1V (R/UU/UUR)
- CF 30-2V (R/UU/UUR)
※ 您可以通过向左/向右滚动来检查内容。
| Stud Diameter G mm |
Bearing Number | Weight gr. |
Major Dimensions mm |
Installation Dimensions f Minimum mm |
Basic Dynamic Rated Load C/kgf |
Basic Static Rated Load Co/Kgf |
Allowed RPM |
|||||||||||||
|---|---|---|---|---|---|---|---|---|---|---|---|---|---|---|---|---|---|---|---|---|
| No Sealant Applied | Sealant Applied | |||||||||||||||||||
| Cylindrical Outer Ring |
Spherical Outer Ring |
Cylindrical Outer Ring |
Spherical Outer Ring |
H | D | Screw S | B | B₁ | B₃ | M | g₁ | G₁ | B₂ | r | ||||||
| CF..V | CF..VR | CF..VUU | CF..VUUR | |||||||||||||||||
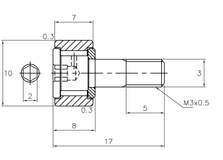
| 3 | *CF 3V | CF 3VR | CF 3VUU | CF 3VUUR | 5 | 2 | 10 | M3 x 0.5 | 7 | 8 | 17 | 5 | 0.3 | 6.8 | 290 | 440 | 20,000 | |||
| 4 | *CF 4V | CF 4VR | CF 4VUU | CF 4VUUR | 8 | 2.5 | 12 | M4 x 0.7 | 8 | 9 | 20 | 6 | 0.5 | 8.6 | 400 | 540 | 17,000 | |||
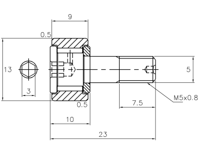
| 5 | CF 5V | CF 5VR | CF 5VUU | CF 5VUUR | 11 | 3 | 13 | M 5 x 0.8 | 9 | 10 | 23 | 7.5 | 0.5 | 9.7 | 520 | 650 | 15,000 | |||
| 6 | CF 6V | CF 6VR | CF 6VUU | CF 6VUUR | 19 |
3 | 16 | M 6 x 1.0 | 11 | 12 | 28 | 9 | 0.5 | 11 | 720 | 870 | 12,000 | |||
| 8 | CF 8V | CF 8VR | CF 8VUU | CF 8VUUR | 29 | 4 | 19 | M 8x 1.25 | 11 | 12 | 32 | 11 | 0.5 | 13 | 840 | 1,150 | 9,000 | |||
| 10 | CFA 10V | CFA 10VR | CFA 10VUU | CFA 10VUUR | 46 | 4 | 22 | M10 x 1.0 | 12 | 13 | 36 | 13 | 1 | 15 | 980 | 1,480 | 7,500 | |||
| CFA 10-1V | CFA 10-1VR | CFA 10-1VUU | CFA 10-1VUUR | 61 | 26 | |||||||||||||||
| 10 | CF 10V | CF 10VR | CF 10VUU | CF 10VUUR | 46 | 4 | 22 | M10 x 1.25 | 12 | 13 | 36 | 13 | 1 | 15 | 980 | 1,480 | 7,500 | |||
| CF 10-1V | CF 10-1VR | CF 10-1VUU | CF 10-1VUUR | 61 | 26 | |||||||||||||||
| 12 | CF 12V | CF 12VR | CF 12VUU | CF 12VUUR | 97 | 6 | 30 | M12 x 1.5 | 14 | 15 | 40 | M6 x 1 | 3 | 14 | 6 | 1.5 | 20 | 1,380 | 2,010 | 6,000 |
| CF 12-1V | CF 12-1VR | CF 12-1VUU | CF 12-1VUUR | 107 | 32 | |||||||||||||||
| 16 | CF 16V | CF 16VR | CF 16VUU | CF 16VUUR | 173 | 6 | 35 | M16 x 1.5 | 18 | 19.5 | 52 | M6 x 1 | 3 | 18 | 8 | 1.5 | 24 | 2,120 | 3,840 | 4,500 |
| 18 | CF 18V | CF 18VR | CF 18VUU | CF 18VUUR | 255 | 10 | 40 | M18 x 1.5 | 20 | 21.5 | 58 | M6 x 1 | 3 | 20 | 10 | 1.5 | 26 | 2,590 | 5,240 | 3,500 |
| 20 | CF 20V | CF 20VR | CF 20VUU | CF 20VUUR | 465 | 10 | 52 | M20 x 1.5 | 24 | 25.5 | 66 | M6 x 1 | 4 | 22 | 12 | 1.5 | 36 | 3,390 | 6,590 | 3,500 |
| CF 20-1V | CF 20-1VR | CF 20-1VUU | CF 20-1VUUR | 390 | 47 | |||||||||||||||
| 24 | CF 24V | CF 24VR | CF 24VUU | CF 24VUUR | 820 | 12 | 62 | M24 x 1.5 | 29 | 30.5 | 80 | M6 x 1 | 4 | 25 | 12 | 1.5 | 40 | 4,760 | 9,390 | 3,500 |
| CF 24-1V | CF 24-1VR | CF 24-1VUU | CF 24-1VUUR | 1,140 | 72 | |||||||||||||||
| 30 | CF 30V | CF 30VR | CF 30VUU | CF 30VUUR | 1,870 | 12 | 80 | M30 x 1.5 | 35 | 37 | 100 | M6 x 1 | 4 | 32 | 15 | 2 | 46 | 6,910 | 14,700 | 2,200 |
| CF 30-1V | CF 30-1VR | CF 30-1VUU | CF 30-1VUUR | 2.030 | 85 | |||||||||||||||
| CF 30-2V | CF 30-2VR | CF 30-2VUU | CF 30-2VUUR | 2,220 | 90 | |||||||||||||||
- 备注)轴中央有润滑油孔,可以在容易加油的任意地方塞入盖子,并在其他孔中塞入喷嘴,注入润滑脂。
- 备注)CFA10与CFA10-1系列的螺栓部螺丝规格为M10 x 1.0。
- 备注)润滑时可发挥约130%的性能,但有密封时,在允许的旋转数量下会减少约40%。
- 备注)组装及加油后必须要塞入六角塞。
- 备注)“*”表明该产品是根据定制进行生产的。













































