CFE

※ 从CF 12开始,头部安装了加油喷嘴。
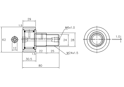
● 点击下端的名称代码,即可确认适用对应数值的图纸(上端)。
Asian Type
※ 您可以通过向左/向右滚动来检查内容。
| Stud Diameter G mm |
Bearing Number | Weight gr. |
Major Dimensions mm |
Installation Dimensions f Minimum mm |
Basic Dynamic Rated Load C/kgf |
Basic Static Rated Load Co/kgf |
Allowed RPM rpm |
|||||||||||||||||
|---|---|---|---|---|---|---|---|---|---|---|---|---|---|---|---|---|---|---|---|---|---|---|---|---|
| No Sealant Applied | Sealant Applied | |||||||||||||||||||||||
| Cylindrical Outer Ring |
Spherical Outer Ring |
Cylindrical Outer Ring |
Spherical Outer Ring |
H | D | Screw S | B | B1 | B3 | M | G1 | Europe type | Asian type | r | ||||||||||
| CFE.. | CFE..R | CFE..UU | CFE..UUR | De | Be | e | De | Be | e | |||||||||||||||
| 6 | CFE 6 | CFE 6 R | CFE 6 UU | CFE 6 UUR | 20 | 3 | 16 | M6 X 1.0 | 11 | 12 | 28 | - | 9 | 9 | 7 | 0.5 | 9 | 7.5 | 0.4 | 0.5 | 11 | 370 | 370 | 25,000 |
| 8 | CFE 8 | CFE 8 R | CFE 8 UU | CFE 8 UUR | 31.5 | 4 | 19 | M8 X 1.25 | 11 | 12 | 32 | - | 11 | 11 | 9 | 0.5 | 11 | 9.5 | 0.4 | 0.5 | 13 | 440 | 480 | 20,000 |
| 10 | CFE 10 | CFE 10 R | CFE 10 UU | CFE 10 UUR | 48.5 | 4 | 22 | M10 X 1.25 | 12 | 13 | 36 | - | 13 | 13 | 10 | 0.5 | 13 | 10.5 | 0.4 | 1 | 15 | 550 | 710 | 17,000 |
| CFE 10-1 | CFE 10-1 R | CFE 10-1 UU | CFE 10-1 UUR | 64 | 26 | |||||||||||||||||||
| 10 | CFAE 10 | CFAE 10 R | CFAE 10 UU | CFAE 10 UUR | 48.5 | 4 | 22 | M10 X 1.0 | 12 | 13 | 36 | - | 13 | 13 | 10 | 0.5 | 13 | 10.5 | 0.4 | 1 | 15 | 550 | 710 | 17,000 |
| CFAE 10-1 | CFAE 10-1 R | CFAE 10-1 UU | CFAE 10-1 UUR | 64 | 26 | |||||||||||||||||||
| 12 | CFE 12 | CFE 12 R | CFE 12 UU | CFE 12 UUR | 103 | 6 | 30 | M12 X 1.5 | 14 | 15 | 40 | M6 X 1.0 | 14 | 15 | 11 | 0.5 | 16 | 11.5 | 0.8 | 1.5 | 20 | 810 | 1,000 | 14,000 |
| CFE 12-1 | CFE 12-1 R | CFE 12-1 UU | CFE 12-1 UUR | 113 | 32 | |||||||||||||||||||
| 16 | CFE 16 | CFE 16 R | CFE 16 UU | CFE 16 UUR | 187 | 6 | 35 | M16 X 1.5 | 18 | 19.5 | 52 | M6 X 1.0 | 18 | 20 | 14 | 1.0 | 22 | 15.5 | 0.8 | 1.5 | 24 | 1,230 | 1,870 | 10,000 |
| 18 | CFE 18 | CFE 18 R | CFE 18 UU | CFE 18 UUR | 275 | 10 | 40 | M18 X 1.5 | 20 | 21.5 | 58 | M6 X 1.0 | 20 | 22 | 16 | 1.0 | 24 | 17.5 | 0.8 | 1.5 | 26 | 1,510 | 2,580 | 8,500 |
| 20 | CFE 20 | CFE 20 R | CFE 20 UU | CFE 20 UUR | 495 | 10 | 52 | M20 X 1.5 | 24 | 25.5 | 66 | M6 X 1.0 | 22 | 24 | 18 | 1.0 | 27 | 19.5 | 0.8 | 1.5 | 36 | 2,120 | 3,530 | 7,000 |
| CFE 20-1 | CFE 20-1 R | CFE 20-1 UU | CFE 20-1 UUR | 420 | 47 | |||||||||||||||||||
| 24 | CFE 24 | CFE 24 R | CFE 24 UU | CFE 24 UUR | 890 | 12 | 62 | M24 X 1.5 | 29 | 30.5 | 80 | M6 X 1.0 | 25 | 28 | 22 | 1.0 | 33 | 25.5 | 0.8 | 1.5 | 40 | 3,120 | 5,370 | 6,500 |
| CFE 24-1 | CFE 24-1 R | CFE 24-1 UU | CFE 24-1 UUR | 1,220 | 72 | |||||||||||||||||||
| 30 | CFE 30 | CFE 30 R | CFE 30 UU | CFE 30 UUR | 2,030 | 12 | 80 | M30 X 1.5 | 35 | 37 | 100 | M6 X 1.0 | 32 | 35 | 29 | 1.5 | 41 | 32.5 | 1.5 | 2 | 40 | 4,640 | 8,980 | 5,000 |
| CFE 30-1 | CFE 30-1 R | CFE 30-1 UU | CFE 30-1 UUR | 2,190 | 85 | |||||||||||||||||||
| CFE 30-2 | CFE 30-2 R | CFE 30-2 UU | CFE 30-2 UUR | 2,380 | 90 | |||||||||||||||||||
- 备注)CFA10与CFA10-1系列的螺栓部螺丝规格为M10 x 1.0。
- 备注)该产品是根据定制进行生产的。
- 备注)组装及加油后必须要塞入六角塞。






































