CF

※ 从CF 12开始,头部安装了加油喷嘴。
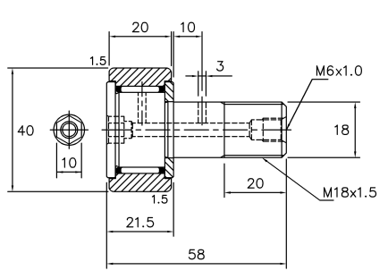
● 点击下端的名称代码,即可确认适用对应数值的图纸(上端)。
Bearing Number
- CF 3 (R/UU/UUR)
- CF 4 (R/UU/UUR)
- CF 5 (R/UU/UUR)
- CF 6 (R/UU/UUR)
- CF 8 (R/UU/UUR)
- CFA 10 (R/UU/UUR)
- CFA 10-1 (R/UU/UUR)
- CF 10 (R/UU/UUR)
- CF 10-1 (R/UU/UUR)
- CF 12 (R/UU/UUR)
- CF 12-1 (R/UU/UUR)
- CF 16 (R/UU/UUR)
- CF 18 (R/UU/UUR)
- CF 20 (R/UU/UUR)
- CF 20-1 (R/UU/UUR)
- CF 24 (R/UU/UUR)
- CF 24-1 (R/UU/UUR)
- CF 30 (R/UU/UUR)
- CF 30-1 (R/UU/UUR)
- CF 30-2 (R/UU/UUR)
※ You can check the contents by scrolling left / right.
| Stud Diameter G mm |
Bearing Number | Weight gr. |
Major Dimensions mm |
Installation Dimensions f Minimum mm |
Basic Dynamic Rated Load C/kgf |
Basic Static Rated Load Co/Kgf |
Allowed RPM |
|||||||||||||
|---|---|---|---|---|---|---|---|---|---|---|---|---|---|---|---|---|---|---|---|---|
| No Sealant Applied | Sealant Applied | |||||||||||||||||||
| Cylindrical Outer Ring |
Spherical Outer Ring |
Cylindrical Outer Ring |
Spherical Outer Ring |
H | D | Screw S | B | B₁ | B₃ | M | g₁ | G₁ | B₂ | r | ||||||
| CF.. | CF..R | CF..UU | CF..UUR | |||||||||||||||||
| 3 | CF 3 | CF 3R | CF 3UU | CF 3UUR | 4.2 | 2 | 10 | M3 x 0.5 | 7 | 8 | 17 | 5 | 0.3 | 6.8 | 160 | 120 | 47,000 | |||
| 4 | CF 4 | CF 4R | CF 4UU | CF 4UUR | 7.2 | 2.5 | 12 | M4 x 0.7 | 8 | 9 | 20 | 6 | 0.5 | 8.6 | 220 | 320 | 37,000 | |||
| 5 | CF 5 | CF 5R | CF 5UU | CF 5UUR | 10.5 | 3 | 13 | M 5 X 0.8 | 9 | 10 | 23 | 7.5 | 0.5 | 9.7 | 320 | 290 | 29,000 | |||
| 6 | CF 6 | CF 6R | CF 6UU | CF 6UUR | 18.5 |
3 | 16 | M 6 X 1.0 | 11 | 12 | 28 | 9 | 0.5 | 11 | 370 | 370 | 25,000 | |||
| 8 | CF 8 | CF 8R | CF 8UU | CF 8UUR | 28.5 | 4 | 19 | M 8X 1.25 | 11 | 12 | 32 | 11 | 0.5 | 13 | 440 | 480 | 20,000 | |||
| 10 | CFA 10 | CFA 10R | CFA 10UU | CFA 10UUR | 45 | 4 | 22 | M10 X 1.0 | 12 | 13 | 36 | 13 | 1 | 15 | 550 | 710 | 17,000 | |||
| CFA 10-1 | CFA 10-1R | CFA 10-1UU | CFA 10-1UUR | 60 | 26 | |||||||||||||||
| 10 | CF 10 | CF 10R | CF 10UU | CF 10UUR | 45 | 4 | 22 | M10 X 1.25 | 12 | 13 | 36 | 13 | 1 | 15 | 550 | 710 | 17,000 | |||
| CF 10-1 | CF 10-1R | CF 10-1UU | CF 10-1UUR | 60 | 26 | |||||||||||||||
| 12 | CF 12 | CF 12R | CF 12UU | CF 12UUR | 95 | 6 | 30 | M12 X 1.5 | 14 | 15 | 40 | M6 X 1 | 3 | 14 | 6 | 1.5 | 20 | 810 | 1,000 | 14,000 |
| CF 12-1 | CF 12-1R | CF 12-1UU | CF 12-1UUR | 105 | 32 | |||||||||||||||
| 16 | CF 16 | CF 16R | CF 16UU | CF 16UUR | 170 | 6 | 35 | M16 X 1.5 | 18 | 19.5 | 52 | M6 X 1 | 3 | 18 | 8 | 1.5 | 24 | 1,230 | 1,870 | 10,000 |
| 18 | CF 18 | CF 18R | CF 18UU | CF 18UUR | 250 | 10 | 40 | M18 X 1.5 | 20 | 21.5 | 58 | M6 X 1 | 3 | 20 | 10 | 1.5 | 26 | 1,510 | 2,580 | 8,500 |
| 20 | CF 20 | CF 20R | CF 20UU | CF 20UUR | 460 | 10 | 52 | M20 X 1.5 | 24 | 25.5 | 66 | M6 X 1 | 4 | 22 | 12 | 1.5 | 36 | 2,120 | 3,530 | 7,000 |
| CF 20-1 | CF 20-1R | CF 20-1UU | CF 20-1UUR | 385 | 47 | |||||||||||||||
| 24 | CF 24 | CF 24R | CF 24UU | CF 24UUR | 815 | 12 | 62 | M24 X 1.5 | 29 | 30.5 | 80 | M6 X 1 | 4 | 25 | 12 | 1.5 | 40 | 3,120 | 5,370 | 6,500 |
| CF 24-1 | CF 24-1R | CF 24-1UU | CF 24-1UUR | 1,140 | 72 | |||||||||||||||
| 30 | CF 30 | CF 30R | CF 30UU | CF 30UUR | 1,870 | 12 | 80 | M30 X 1.5 | 35 | 37 | 100 | M6 X 1 | 4 | 32 | 15 | 2 | 46 | 4,640 | 8,980 | 5,000 |
| CF 30-1 | CF 30-1R | CF 30-1UU | CF 30-1UUR | 2.030 | 85 | |||||||||||||||
| CF 30-2 | CF 30-2R | CF 30-2UU | CF 30-2UUR | 2,220 | 90 | |||||||||||||||
- 备注)轴中央有润滑油孔,可以在容易加油的任意地方塞入盖子,并在其他孔中塞入喷嘴,注入润滑脂。
- 备注)CFA10与CFA10-1系列的螺栓部螺丝规格为M10 x 1.0。
- 备注)润滑时可发挥约130%的性能,但有密封时,在允许的旋转数量下会减少约40%。
- 备注)组装及加油后必须要塞入六角塞。





































