NUKR
복열니들, mm치수

















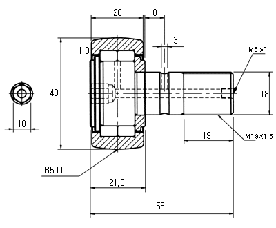
● 하단의 호칭번호를 클릭하시면 각 호칭번호에 해당하는 수치가 적용된 도면(상단)을 확인하실 수 있습니다.
호칭번호
※ 좌/우로 스크롤하시면 내용을 확인하실 수 있습니다.
| 스터드경 G mm |
호칭번호 | 질량 gr. |
주 요 치 수 mm | 설치치수 f 최소 mm |
기본 동정격 하중 C/kgf |
기본 정정격 하중 Co/Kgf |
허 용 회전수 rpm |
||||||||||||
|---|---|---|---|---|---|---|---|---|---|---|---|---|---|---|---|---|---|---|---|
| 구면외륜 | 원통외륜 | H | D | 나사 S | B | B₁ | B₃ | M | n | g₁ | G₁ | B₂ | r | ||||||
| 16 | NUKR 35R | NUKR 35SL | 177 | 6 | 35 | M16 X 1.5 | 18 | 19.5 | 52 | M 6 X 1 | - | 3 | 17 | 8 | 0.6 | 21 | 2,390 | 2,790 | 6,500 |
| 18 | NUKR 40R | NUKR 40SL | 258 | 10 | 40 | M18 X 1.5 | 20 | 21.5 | 58 | M 6 X 1 | - | 3 | 19 | 8 | 1.0 | 23 | 2,580 | 3,160 | 5,500 |
| 20 | NUKR 47R | NUKR 47SL | 400 | 10 | 47 | M20 X 1.5 | 24 | 25.5 | 66 | M 6 X 1 | - | 4 | 21 | 9 | 1.0 | 27 | 3,970 | 5,000 | 4,200 |
| 20 | NUKR 52R | NUKR 52SL | 470 | 10 | 52 | M20 X 1.5 | 24 | 25.5 | 66 | M 6 X 1 | - | 4 | 21 | 9 | 1.0 | 31 | 4,440 | 5,930 | 3,400 |
| 24 | NUKR 62R | NUKR 62SL | 824 | 12 | 62 | M24 X 1.5 | 29 | 30.5 | 80 | M 6 X 1 | - | 4 | 25 | 11 | 1.0 | 38 | 5,940 | 7,690 | 2,800 |
| 24 | NUKR 72R | NUKR 72SL | 1,050 | 12 | 72 | M24 X 1.5 | 29 | 30.5 | 80 | M 6 X 1 | - | 4 | 25 | 11 | 1.1 | 44 | 6,520 | 9,070 | 2,300 |
| 30 | NUKR 80R | NUKR 80SL | 1,670 | 12 | 80 | M30 X 1.5 | 35 | 37 | 100 | M 6 X 1 | - | 4 | 32 | 15 | 1.1 | 47 | 9,680 | 13,850 | 2,100 |
| 30 | NUKR 90R | NUKR 90SL | 2,020 | 12 | 90 | M30 X 1.5 | 35 | 37 | 100 | M 6 X 1 | - | 4 | 32 | 15 | 1.1 | 47 | 9,680 | 13,850 | 2,100 |
| 36 | NUKR 100R | NUKR 100SL | 3,080 | 14 | 100 | M36 X1.5 | 43 | 46 | 120 | - | PT1/8 | - | 38 | - | - | 53 | 12,100 | 17,000 | 2,000 |
| 42 | NUKR 120R | NUKR 120SL | 5,170 | 14 | 120 | M42 X1.5 | 50 | 53 | 140 | - | PT1/8 | - | 44 | - | - | 66 | 17,600 | 27,100 | 1,700 |
| 48 | NUKR 140R | NUKR 140SL | 7,980 | 14 | 140 | M48 X1.5 | 57 | 60 | 160 | - | PT1/8 | - | 52 | - | - | 72.5 | 20,500 | 30,000 | 1,500 |
| 52 | NUKR 150R | NUKR 150SL | 9,700 | 17 | 150 | M52 X1.5 | 60 | 63 | 170 | - | PT1/8 | - | 52 | - | - | 85.5 | 26,300 | 39,000 | 1,300 |
| 56 | NUKR 160R | NUKR 160SL | 11,700 | 17 | 160 | M56 X3.0 | 63 | 67 | 180 | - | PT1/8 | - | 58 | - | - | 89.5 | 27,900 | 41,000 | 1,200 |
| 60 | NUKR 170R | NUKR 170SL | 13,900 | 17 | 170 | M60 X3.0 | 66 | 70 | 190 | - | PT1/8 | - | 58 | - | - | 96.5 | 32,500 | 48,500 | 1,100 |
| 64 | NUKR 180R | NUKR 180SL | 17,000 | 17 | 180 | M64 X3.0 | 72 | 76 | 200 | - | PT1/8 | - | 65 | - | - | 103.5 | 37,500 | 56,500 | 1,000 |
- 주) NUKR 100 이상은 주문에 의하여 생산합니다.



















