CF

※ CF 12 부터 두부에 오일닛쁠이 장착되어 있습니다.
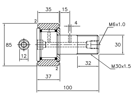
● 하단의 호칭번호를 클릭하시면 각 호칭번호에 해당하는 수치가 적용된 도면(상단)을 확인하실 수 있습니다.
호칭번호
- CF 3 (R/UU/UUR)
- CF 4 (R/UU/UUR)
- CF 5 (R/UU/UUR)
- CF 6 (R/UU/UUR)
- CF 8 (R/UU/UUR)
- CFA 10 (R/UU/UUR)
- CFA 10-1 (R/UU/UUR)
- CF 10 (R/UU/UUR)
- CF 10-1 (R/UU/UUR)
- CF 12 (R/UU/UUR)
- CF 12-1 (R/UU/UUR)
- CF 16 (R/UU/UUR)
- CF 18 (R/UU/UUR)
- CF 20 (R/UU/UUR)
- CF 20-1 (R/UU/UUR)
- CF 24 (R/UU/UUR)
- CF 24-1 (R/UU/UUR)
- CF 30 (R/UU/UUR)
- CF 30-1 (R/UU/UUR)
- CF 30-2 (R/UU/UUR)
※ 좌/우로 스크롤하시면 내용을 확인하실 수 있습니다.
| 스터 드경 G mm |
호 칭 번 호 | 질량 gr. |
주 요 치 수 mm | 설치 치수 f 최소 mm |
기본 동정격 하중 C/kgf |
기본 정정격 하중 Co/Kgf |
허용 회전 수 rpm |
|||||||||||||
|---|---|---|---|---|---|---|---|---|---|---|---|---|---|---|---|---|---|---|---|---|
| 씰 없음 | 씰 부착 | |||||||||||||||||||
| 원통 외륜 |
구면 외륜 |
원통 외륜 |
구면 외륜 |
H | D | 나사S | B | B₁ | B₃ | M | g₁ | G₁ | B₂ | r | ||||||
| CF.. | CF..R | CF..UU | CF..UUR | |||||||||||||||||
| 3 | CF 3 | CF 3R | CF 3UU | CF 3UUR | 4.2 | 2 | 10 | M3 x 0.5 | 7 | 8 | 17 | 5 | 0.3 | 6.8 | 160 | 120 | 47,000 | |||
| 4 | CF 4 | CF 4R | CF 4UU | CF 4UUR | 7.2 | 2.5 | 12 | M4 x 0.7 | 8 | 9 | 20 | 6 | 0.5 | 8.6 | 220 | 320 | 37,000 | |||
| 5 | CF 5 | CF 5R | CF 5UU | CF 5UUR | 10.5 | 3 | 13 | M 5 X 0.8 | 9 | 10 | 23 | 7.5 | 0.5 | 9.7 | 320 | 290 | 29,000 | |||
| 6 | CF 6 | CF 6R | CF 6UU | CF 6UUR | 18.5 |
3 | 16 | M 6 X 1.0 | 11 | 12 | 28 | 9 | 0.5 | 11 | 370 | 370 | 25,000 | |||
| 8 | CF 8 | CF 8R | CF 8UU | CF 8UUR | 28.5 | 4 | 19 | M 8X 1.25 | 11 | 12 | 32 | 11 | 0.5 | 13 | 440 | 480 | 20,000 | |||
| 10 | CFA 10 | CFA 10R | CFA 10UU | CFA 10UUR | 45 | 4 | 22 | M10 X 1.0 | 12 | 13 | 36 | 13 | 1 | 15 | 550 | 710 | 17,000 | |||
| CFA 10-1 | CFA 10-1R | CFA 10-1UU | CFA 10-1UUR | 60 | 26 | |||||||||||||||
| 10 | CF 10 | CF 10R | CF 10UU | CF 10UUR | 45 | 4 | 22 | M10 X 1.25 | 12 | 13 | 36 | 13 | 1 | 15 | 550 | 710 | 17,000 | |||
| CF 10-1 | CF 10-1R | CF 10-1UU | CF 10-1UUR | 60 | 26 | |||||||||||||||
| 12 | CF 12 | CF 12R | CF 12UU | CF 12UUR | 95 | 6 | 30 | M12 X 1.5 | 14 | 15 | 40 | M6 X 1 | 3 | 14 | 6 | 1.5 | 20 | 810 | 1,000 | 14,000 |
| CF 12-1 | CF 12-1R | CF 12-1UU | CF 12-1UUR | 105 | 32 | |||||||||||||||
| 16 | CF 16 | CF 16R | CF 16UU | CF 16UUR | 170 | 6 | 35 | M16 X 1.5 | 18 | 19.5 | 52 | M6 X 1 | 3 | 18 | 8 | 1.5 | 24 | 1,230 | 1,870 | 10,000 |
| 18 | CF 18 | CF 18R | CF 18UU | CF 18UUR | 250 | 10 | 40 | M18 X 1.5 | 20 | 21.5 | 58 | M6 X 1 | 3 | 20 | 10 | 1.5 | 26 | 1,510 | 2,580 | 8,500 |
| 20 | CF 20 | CF 20R | CF 20UU | CF 20UUR | 460 | 10 | 52 | M20 X 1.5 | 24 | 25.5 | 66 | M6 X 1 | 4 | 22 | 12 | 1.5 | 36 | 2,120 | 3,530 | 7,000 |
| CF 20-1 | CF 20-1R | CF 20-1UU | CF 20-1UUR | 385 | 47 | |||||||||||||||
| 24 | CF 24 | CF 24R | CF 24UU | CF 24UUR | 815 | 12 | 62 | M24 X 1.5 | 29 | 30.5 | 80 | M6 X 1 | 4 | 25 | 12 | 1.5 | 40 | 3,120 | 5,370 | 6,500 |
| CF 24-1 | CF 24-1R | CF 24-1UU | CF 24-1UUR | 1,140 | 72 | |||||||||||||||
| 30 | CF 30 | CF 30R | CF 30UU | CF 30UUR | 1,870 | 12 | 80 | M30 X 1.5 | 35 | 37 | 100 | M6 X 1 | 4 | 32 | 15 | 2 | 46 | 4,640 | 8,980 | 5,000 |
| CF 30-1 | CF 30-1R | CF 30-1UU | CF 30-1UUR | 2.030 | 85 | |||||||||||||||
| CF 30-2 | CF 30-2R | CF 30-2UU | CF 30-2UUR | 2,220 | 90 | |||||||||||||||
- 주) 축 가운데 윤활 유공이 있고 어느쪽이든 유입하기 쉬운 곳에 마개를 끼우고 다른 구멍에 닛뿔을 끼우고 그리스를 주입합니다.
- 주) CFA10과 CFA10-1 시리즈는 스터드부 나사가 M10 x 1.0입니다.
- 주) 오일 윤활에서는 약 130%의 성능을 가지며 단 씰이 있는 경우는 허용 회전수에서 약 40%가 감소합니다.
- 주) 조립 또는 오일 공급후 육각마개를 필히 막아야 합니다.





































