CF..VM

※ CF 12 VM 부터 두부에 오일닛쁠이 장착되어 있습니다.
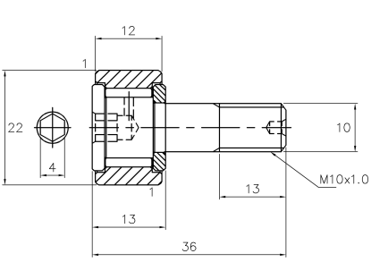
● 하단의 호칭번호를 클릭하시면 각 호칭번호에 해당하는 수치가 적용된 도면(상단)을 확인하실 수 있습니다.
호칭번호
- CF 3VM (R/UU/UUR)
- CF 4VM (R/UU/UUR)
- CF 5VM (R/UU/UUR)
- CF 6VM (R/UU/UUR)
- CF 8VM (R/UU/UUR)
- CFA 10VM (R/UU/UUR)
- CFA 10-1VM (R/UU/UUR)
- CF 10VM (R/UU/UUR)
- CF 10-1VM (R/UU/UUR)
- CF 12VM (R/UU/UUR)
- CF 12-1VM (R/UU/UUR)
- CF 16VM (R/UU/UUR)
- CF 18VM (R/UU/UUR)
- CF 20VM (R/UU/UUR)
- CF 20-1VM (R/UU/UUR)
- CF 24VM (R/UU/UUR)
- CF 24-1VM (R/UU/UUR)
- CF 30VM (R/UU/UUR)
- CF 30-1VM (R/UU/UUR)
- CF 30-2VM (R/UU/UUR)
※ 좌/우로 스크롤하시면 내용을 확인하실 수 있습니다.
| 스터 드경 G mm |
호 칭 번 호 | 질량 gr. |
주 요 치 수 mm | 설치치수 f 최소 mm |
기 본 동정격 하중C/kgf |
기 본 정정격 하중 Co/Kgf |
허용 회전수 rpm |
|||||||||||||
|---|---|---|---|---|---|---|---|---|---|---|---|---|---|---|---|---|---|---|---|---|
| 씰 없음 | 씰 부착 | |||||||||||||||||||
| 원통 외륜 |
구면 외륜 |
원통 외륜 |
구면 외륜 |
H | D | 나사 S | B | B₁ | B₃ | M | g₁ | G₁ | B₂ | r | ||||||
| CF..VM | CF..VMR | CF..VMUU | CF..VMUUR | |||||||||||||||||
| 3 | CF 3VM | CF 3VMR | CF 3VMUU | CF 3VMUUR | 5 | 2 | 10 | M3 x 0.5 | 7 | 8 | 17 | 5 | 0.3 | 6.8 | 270 | 400 | 20,000 | |||
| 4 | CF 4VM | CF 4VMR | CF 4VMUU | CF 4VMUUR | 8 | 2.5 | 12 | M4 x 0.7 | 8 | 9 | 20 | 6 | 0.5 | 8.6 | 380 | 500 | 17,000 | |||
| 5 | CF 5VM | CF 5VMR | CF 5VMUU | CF 5VMUUR | 11 | 3 | 13 | M 5 x 0.8 | 9 | 10 | 23 | 7.5 | 0.5 | 9.7 | 480 | 600 | 15,000 | |||
| 6 | CF 6VM | CF 6VMR | CF 6VMUU | CF 6VMUUR | 19 |
3 | 16 | M 6 x 1.0 | 11 | 12 | 28 | 9 | 0.5 | 11 | 670 | 800 | 12,000 | |||
| 8 | CF 8VM | CF 8VMR | CF 8VMUU | CF 8VMUUR | 29 | 4 | 19 | M 8x 1.25 | 11 | 12 | 32 | 11 | 0.5 | 13 | 770 | 1,060 | 9,000 | |||
| 10 | CFA 10VM | CFA 10VMR | CFA 10VMUU | CFA 10VMUUR | 46 | 4 | 22 | M10 x 1.0 | 12 | 13 | 36 | 13 | 1 | 15 | 900 | 1,370 | 7,500 | |||
| CFA 10-1VM | CFA 10-1VMR | CFA 10-1VMUU | CFA 10-1VMUUR | 61 | 26 | |||||||||||||||
| 10 | CF 10VM | CF 10VMR | CF 10VMUU | CF 10VMUUR | 46 | 4 | 22 | M10 x 1.25 | 12 | 13 | 36 | 13 | 1 | 15 | 900 | 1,370 | 7,500 | |||
| CF 10-1VM | CF 10-1VMR | CF 10-1VMUU | CF 10-1VMUUR | 61 | 26 | |||||||||||||||
| 12 | CF 12VM | CF 12VMR | CF 12VMUU | CF 12VMUUR | 97 | 6 | 30 | M12 x 1.5 | 14 | 15 | 40 | M6 x 1 | 3 | 14 | 6 | 1.5 | 20 | 1,270 | 1,850 | 6,000 |
| CF 12-1VM | CF 12-1VMR | CF 12-1VMUU | CF 12-1VMUUR | 107 | 32 | |||||||||||||||
| 16 | CF 16VM | CF 16VMR | CF 16VMUU | CF 16VMUUR | 173 | 6 | 35 | M16 x 1.5 | 18 | 19.5 | 52 | M6 x 1 | 3 | 18 | 8 | 1.5 | 24 | 1,950 | 3,540 | 4,500 |
| 18 | CF 18VM | CF 18VMR | CF 18VMUU | CF 18VMUUR | 255 | 10 | 40 | M18 x 1.5 | 20 | 21.5 | 58 | M6 x 1 | 3 | 20 | 10 | 1.5 | 26 | 2,390 | 4,830 | 3,500 |
| 20 | CF 20VM | CF 20VMR | CF 20VMUU | CF 20VMUUR | 465 | 10 | 52 | M20 x 1.5 | 24 | 25.5 | 66 | M6 x 1 | 4 | 22 | 12 | 1.5 | 36 | 3,120 | 6,070 | 3,500 |
| CF 20-1VM | CF 20-1VMR | CF 20-1VMUU | CF 20-1VMUUR | 390 | 47 | |||||||||||||||
| 24 | CF 24VM | CF 24VMR | CF 24VMUU | CF 24VMUUR | 820 | 12 | 62 | M24 x 1.5 | 29 | 30.5 | 80 | M6 x 1 | 4 | 25 | 12 | 1.5 | 40 | 4,380 | 8,640 | 3,500 |
| CF 24-1VM | CF 24-1VMR | CF 24-1VMUU | CF 24-1VMUUR | 1,140 | 72 | |||||||||||||||
| 30 | CF 30VM | CF 30VMR | CF 30VMUU | CF 30VMUUR | 1,870 | 12 | 80 | M30 x 1.5 | 35 | 37 | 100 | M6 x 1 | 4 | 32 | 15 | 2 | 46 | 6,360 | 13,530 | 2,200 |
| CF 30-1VM | CF 30-1VMR | CF 30-1VMUU | CF 30-1VMUUR | 2.030 | 85 | |||||||||||||||
| CF 30-2VM | CF 30-2VMR | CF 30-2VMUU | CF 30-2VMUUR | 2,220 | 90 | |||||||||||||||
- 주) CFA10과 CFA10-1시리지는 스터드부 나사가 M10x1.0입니다.
- 주) 조립 또는 오일 공급후 육각마개를 필히 막아야 합니다.













































