CFE

※ CFE 12 부터 두부에 오일닛쁠이 장착되어 있습니다.
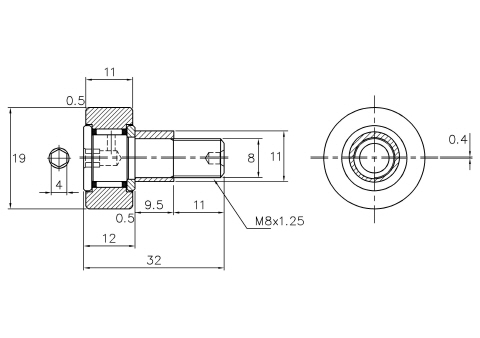
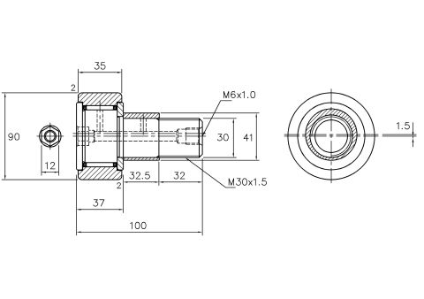
● 하단의 호칭번호를 클릭하시면 각 호칭번호에 해당하는 수치가 적용된 도면(상단)을 확인하실 수 있습니다.
아시아형 편심링
※ 좌/우로 스크롤하시면 내용을 확인하실 수 있습니다.
| 스터드경 G mm |
호 칭 번 호 | 질량 gr. |
주 요 치 수 mm | 설치 치수 f 최소 mm |
기본 동정격 하중 C/kgf |
기본 정정격 하중 Co/kgf |
허용 회전수 rpm |
|||||||||||||||||
|---|---|---|---|---|---|---|---|---|---|---|---|---|---|---|---|---|---|---|---|---|---|---|---|---|
| 씰 없음 | 씰 부착 | |||||||||||||||||||||||
| 원통 외륜 |
구면 외륜 |
원통 외륜 |
구면 외륜 |
H | D | 나사 S | B | B1 | B3 | M | G1 | 유럽형 | 아시아형 | r | ||||||||||
| CFE.. | CFE..R | CFE..UU | CFE..UUR | De | Be | e | De | Be | e | |||||||||||||||
| 6 | CFE 6 | CFE 6 R | CFE 6 UU | CFE 6 UUR | 20 | 3 | 16 | M6 X 1.0 | 11 | 12 | 28 | - | 9 | 9 | 7 | 0.5 | 9 | 7.5 | 0.4 | 0.5 | 11 | 370 | 370 | 25,000 |
| 8 | CFE 8 | CFE 8 R | CFE 8 UU | CFE 8 UUR | 31.5 | 4 | 19 | M8 X 1.25 | 11 | 12 | 32 | - | 11 | 11 | 9 | 0.5 | 11 | 9.5 | 0.4 | 0.5 | 13 | 440 | 480 | 20,000 |
| 10 | CFE 10 | CFE 10 R | CFE 10 UU | CFE 10 UUR | 48.5 | 4 | 22 | M10 X 1.25 | 12 | 13 | 36 | - | 13 | 13 | 10 | 0.5 | 13 | 10.5 | 0.4 | 1 | 15 | 550 | 710 | 17,000 |
| CFE 10-1 | CFE 10-1 R | CFE 10-1 UU | CFE 10-1 UUR | 64 | 26 | |||||||||||||||||||
| 10 | CFAE 10 | CFAE 10 R | CFAE 10 UU | CFAE 10 UUR | 48.5 | 4 | 22 | M10 X 1.0 | 12 | 13 | 36 | - | 13 | 13 | 10 | 0.5 | 13 | 10.5 | 0.4 | 1 | 15 | 550 | 710 | 17,000 |
| CFAE 10-1 | CFAE 10-1 R | CFAE 10-1 UU | CFAE 10-1 UUR | 64 | 26 | |||||||||||||||||||
| 12 | CFE 12 | CFE 12 R | CFE 12 UU | CFE 12 UUR | 103 | 6 | 30 | M12 X 1.5 | 14 | 15 | 40 | M6 X 1.0 | 14 | 15 | 11 | 0.5 | 16 | 11.5 | 0.8 | 1.5 | 20 | 810 | 1,000 | 14,000 |
| CFE 12-1 | CFE 12-1 R | CFE 12-1 UU | CFE 12-1 UUR | 113 | 32 | |||||||||||||||||||
| 16 | CFE 16 | CFE 16 R | CFE 16 UU | CFE 16 UUR | 187 | 6 | 35 | M16 X 1.5 | 18 | 19.5 | 52 | M6 X 1.0 | 18 | 20 | 14 | 1.0 | 22 | 15.5 | 0.8 | 1.5 | 24 | 1,230 | 1,870 | 10,000 |
| 18 | CFE 18 | CFE 18 R | CFE 18 UU | CFE 18 UUR | 275 | 10 | 40 | M18 X 1.5 | 20 | 21.5 | 58 | M6 X 1.0 | 20 | 22 | 16 | 1.0 | 24 | 17.5 | 0.8 | 1.5 | 26 | 1,510 | 2,580 | 8,500 |
| 20 | CFE 20 | CFE 20 R | CFE 20 UU | CFE 20 UUR | 495 | 10 | 52 | M20 X 1.5 | 24 | 25.5 | 66 | M6 X 1.0 | 22 | 24 | 18 | 1.0 | 27 | 19.5 | 0.8 | 1.5 | 36 | 2,120 | 3,530 | 7,000 |
| CFE 20-1 | CFE 20-1 R | CFE 20-1 UU | CFE 20-1 UUR | 420 | 47 | |||||||||||||||||||
| 24 | CFE 24 | CFE 24 R | CFE 24 UU | CFE 24 UUR | 890 | 12 | 62 | M24 X 1.5 | 29 | 30.5 | 80 | M6 X 1.0 | 25 | 28 | 22 | 1.0 | 33 | 25.5 | 0.8 | 1.5 | 40 | 3,120 | 5,370 | 6,500 |
| CFE 24-1 | CFE 24-1 R | CFE 24-1 UU | CFE 24-1 UUR | 1,220 | 72 | |||||||||||||||||||
| 30 | CFE 30 | CFE 30 R | CFE 30 UU | CFE 30 UUR | 2,030 | 12 | 80 | M30 X 1.5 | 35 | 37 | 100 | M6 X 1.0 | 32 | 35 | 29 | 1.5 | 41 | 32.5 | 1.5 | 2 | 40 | 4,640 | 8,980 | 5,000 |
| CFE 30-1 | CFE 30-1 R | CFE 30-1 UU | CFE 30-1 UUR | 2,190 | 85 | |||||||||||||||||||
| CFE 30-2 | CFE 30-2 R | CFE 30-2 UU | CFE 30-2 UUR | 2,380 | 90 | |||||||||||||||||||
- 주) CFA10과 CFA10-1 시리즈는 스터드부 나사가 M10×1.0 입니다.
- 주) 이 품목은 주문에 의하여 생산합니다.
- 주) 조립 또는 오일 공급후 육각마개를 필히 막아야 합니다.






































