CFH

● 하단의 호칭번호를 클릭하시면 각 호칭번호에 해당하는 수치가 적용된 도면(상단)을 확인하실 수 있습니다.
호칭번호
※ 좌/우로 스크롤하시면 내용을 확인하실 수 있습니다.
| 스터드경 G mm |
호 칭 번 호 | 질량 gr. |
주 요 치 수 mm | 설 치 치 수 f 최 소 mm |
기 본 동 정 격 하 중 C/kgf |
기 본 정 정 격 하 중 Co/Kgf |
허 용 회 전 수 rpm |
||||||||||||||
|---|---|---|---|---|---|---|---|---|---|---|---|---|---|---|---|---|---|---|---|---|---|
| 씰 없음 | 씰 부착 | ||||||||||||||||||||
| 원통 외륜 |
구면 외륜 |
원통 외륜 |
구면 외륜 |
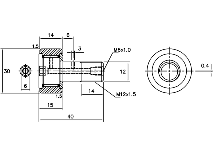
H | D | 나사 S | B | B₁ | B₃ | M | g₁ | G₁ | B₂ | e | r | ||||||
| CFH.. | CFH..R | CFH..UU | CFH..UUR | ||||||||||||||||||
| 12 | CFH 12 | CFH 12 R | CFH 12 UU | CFH 12 UUR | 95 | 6 | 30 | M12X 1.5 | 14 | 15 | 40 | M6 X 1 |
3 | 14 | 6 | 0.4 | 1.5 | 20 | 810 | 1,000 | 14,000 |
| CFH 12-1 | CFH 12-1 R | CFH 12-1 UU | CFH 12-1 UUR | 105 | 32 | ||||||||||||||||
| 16 | CFH 16 | CFH 16 R | CFH 16 UU | CFH 16 UUR | 170 | 6 | 35 | M16 X 1.5 | 18 | 19.5 | 52 | M6 X 1 | 3 | 18 | 8 | 0.5 | 1.5 | 24 | 1,230 | 1,870 | 10,000 |
| 18 | CFH 18 | CFH 18 R | CFH 18 UU | CFH 18 UUR | 250 | 10 | 40 | M18 X 1.5 | 20 | 21.5 | 58 | M6 X 1 | 3 | 20 | 10 | 0.6 | 1.5 | 26 | 1,510 | 2,580 | 8,500 |
| 20 | CFH 20 | CFH 20 R | CFH 20 UU | CFH 20 UUR | 460 | 10 | 52 | M20 X 1.5 | 24 | 25.5 | 66 | M6 X 1 | 4 | 22 | 12 | 0.7 | 1.5 | 36 | 2,120 | 3,530 | 7,000 |
| CFH 20-1 | CFH 20-1 R | CFH 20-1 UU | CFH 20-1 UUR | 385 | 47 | ||||||||||||||||
| 24 | CFH 24 | CFH 24 R | CFH 24 UU | CFH 24 UUR | 815 | 12 | 62 | M24 X 1.5 | 29 | 30.5 | 80 | M6 X 1 | 4 | 25 | 12 | 0.8 | 1.5 | 40 | 3,120 | 5,370 | 6,500 |
| CFH 24-1 | CFH 24-1 R | CFH 24-1 UU | CFH 24-1 UUR | 1,140 | 72 | ||||||||||||||||
| 30 | CFH 30 | CFH 30R | CFH 30 UU | CFH 30 UUR | 1,870 | 12 | 80 | M30 X 1.5 | 35 | 37 | 100 | M6 X 1 | 4 | 32 | 15 | 1.0 | 2 | 46 | 4,640 | 8,980 | 5,000 |
| CFH 30-1 | CFH 30-1 R | CFH 30-1 UU | CFH 30-1 UUR | 2,030 | 85 | ||||||||||||||||
| CFH 30-2 | CFH 30-2R | CFH 30-2 UU | CFH 30-2 UUR | 2,220 | 90 | ||||||||||||||||
- 주) 이 품목은 주문에 의하여 생산합니다.



























