NK
● Haga clic en el número de modelo abajo para ver el dibujo (arriba) con la dimensión aplicable para el numero de modelo correspondiente.
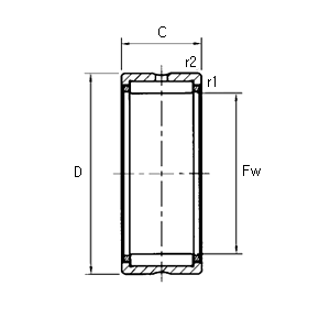
Bearing Number
- NK 14/16
- NK 14/20
- NK 15/16
- NK 15/20
- NK 16/16
- NK 16/20
- NK 17/16
- NK 17/20
- NK 18/16
- NK 18/20
- NK 19/16
- NK 19/20
- NK 20/16
- NK 20/20
- NK 21/16
- NK 21/20
- NK 22/16
- NK 22/20
- NK 24/16
- NK 24/20
- NK 25/16
- NK 25/20
- NK 26/16
- NK 26/20
- NK 28/20
- NK 28/30
- NK 29/20
- NK 29/30
- NK 30/20
- NK 30/30
- NK 32/20
- NK 32/30
- NK 35/20
- NK 35/30
- NK 37/20
- NK 37/30
- NK 38/20
- NK 38/30
- NK 40/20
- NK 40/30
- NK 42/20
- NK 42/30
- NK 43/20
- NK 43/30
- NK 45/20
- NK 45/30
- NK 47/20
- NK 47/30
- NK 50/25
- NK 50/35
- NK 55/25
- NK 55/35
※ Puede comprobar el contenido desplazándose hacia la izquierda / derecha.
| Bearing Number | Major Dimensions mm |
Basic Dynamic Rated Load C N |
Basic Static Rated Load Co N |
Fatigue Load Limit Pu N |
Rated Rotation Lubrication Grease r min |
Oil r min |
Weight kg |
Supporter and Fillet mm |
Dimensions Appropriate Sealing Dimensions mm |
|||||
|---|---|---|---|---|---|---|---|---|---|---|---|---|---|---|
| Fw | D | C | r12 | Fw | Da Maximum | ra Maximum | ||||||||
| NK 14/16 | 14 | 22 | 16 | 0.3 | 10,200 | 12,500 | 1,530 | 17,000 | 26,000 | 0.021 | 14 | 20 | 0.3 | 14 x 22 x 3 |
| NK 14/20 | 22 | 20 | 0.3 | 12,800 | 16,600 | 2,080 | 17,000 | 26,000 | 0.026 | 20 | 0.3 | 14 x 22 x 3 | ||
| NK 15/16 | 15 | 23 | 16 | 0.3 | 11,000 | 14,000 | 1,700 | 16,000 | 24,000 | 0.022 | 15 | 21 | 0.3 | 15 x 23 x 3 |
| NK 15/20 | 23 | 20 | 0.3 | 13,800 | 18,300 | 22,800 | 16,000 | 24,000 | 0.027 | 21 | 0.3 | 15 x 23 x 3 | ||
| NK 16/16 | 16 | 24 | 16 | 0.3 | 11,700 | 15,300 | 1,860 | 16,000 | 24,000 | 0.022 | 16 | 22 | 0.3 | 16 x 24 x 3 |
| NK 16/20 | 24 | 20 | 0.3 | 14,500 | 20,000 | 2,500 | 16,000 | 24,000 | 0.032 | 22 | 0.3 | 16 x 24 x 3 | ||
| NK 17/16 | 17 | 25 | 16 | 0.3 | 12,100 | 16,600 | 2,000 | 15,000 | 22,000 | 0.029 | 17 | 23 | 0.3 | 17 x 25 x 3 |
| NK 17/20 | 25 | 20 | 0.3 | 15,100 | 22,000 | 2,750 | 15,000 | 22,000 | 0.030 | 23 | 0.3 | 17 x 25 x 3 | ||
| NK 18/16 | 18 | 26 | 16 | 0.3 | 12,800 | 17,600 | 2,160 | 15,000 | 22,000 | 0.025 | 18 | 24 | 0.3 | 18 x 26 x 4 |
| NK 18/20 | 26 | 20 | 0.3 | 16,100 | 23,600 | 3,000 | 15,000 | 22,000 | 0.032 | 24 | 0.3 | 18 x 26 x 4 | ||
| NK 19/16 | 19 | 27 | 16 | 0.3 | 13,400 | 19,000 | 2,320 | 14,000 | 20,000 | 0.026 | 19 | 25 | 0.3 | 19 x 27 x 4 |
| NK 19/20 | 27 | 20 | 0.3 | 16,500 | 25,500 | 3,200 | 14,000 | 20,000 | 0.032 | 25 | 0.3 | 19 x 27 x 4 | ||
| NK 20/16 | 20 | 28 | 16 | 0.3 | 13,200 | 19,300 | 2,360 | 13,000 | 19,000 | 0.027 | 20 | 26 | 0.3 | 20 x 28 x 4 |
| NK 20/20 | 28 | 20 | 0.3 | 16,500 | 25,500 | 3,200 | 13,000 | 19,000 | 0.034 | 26 | 0.3 | 20 x 28 x 4 | ||
| NK 21/16 | 21 | 29 | 16 | 0.3 | 13,800 | 20,400 | 2,500 | 13,000 | 19,000 | 0.028 | 21 | 27 | 0.3 | 21 x 29 x 4 |
| NK 21/20 | 29 | 20 | 0.3 | 17,200 | 27,000 | 3,450 | 13,000 | 19,000 | 0.035 | 27 | 0.3 | 21 x 29 x 4 | ||
| NK 22/16 | 22 | 30 | 16 | 0.3 | 14,200 | 21,600 | 2,650 | 12,000 | 18,000 | 0.030 | 22 | 28 | 0.3 | 22 x 30 x 4 |
| NK 22/20 | 30 | 20 | 0.3 | 17,900 | 29,000 | 3,650 | 12,000 | 18,000 | 0.037 | 28 | 0.3 | 22 x 30 x 4 | ||
| NK 24/16 | 24 | 32 | 16 | 0.3 | 15,400 | 24,500 | 3,000 | 10,000 | 16,000 | 0.032 | 24 | 30 | 0.3 | 24 x 32 x 4 |
| NK 24/20 | 32 | 20 | 0.3 | 19,000 | 32,500 | 4,050 | 10,000 | 16,000 | 0.040 | 30 | 0.3 | 24 x 32 x 4 | ||
| NK 25/16 | 25 | 33 | 16 | 0.3 | 15,100 | 24,500 | 3,000 | 10,000 | 16,000 | 0.033 | 25 | 31 | 0.3 | 25 x 33 x 4 |
| NK 25/20 | 33 | 20 | 0.3 | 19,000 | 32,500 | 4,150 | 10,000 | 16,000 | 0.042 | 31 | 0.3 | 25 x 33 x 4 | ||
| NK 26/16 | 26 | 34 | 16 | 0.3 | 15,700 | 26,000 | 3,200 | 9,500 | 15,000 | 0.034 | 26 | 32 | 0.3 | 26 x 34 x 4 |
| NK 26/20 | 34 | 20 | 0.3 | 19,400 | 34,500 | 4,300 | 9,500 | 15,000 | 0.042 | 32 | 0.3 | 26 x 34 x 4 | ||
| NK 28/20 | 28 | 37 | 20 | 0.3 | 22,000 | 36,500 | 4,650 | 9,000 | 14,000 | 0.052 | 28 | 35 | 0.3 | 28 x 37 x 4 |
| NK 28/30 | 37 | 30 | 0.3 | 31,900 | 60,000 | 7,800 | 9,000 | 14,000 | 0.082 | 35 | 0.3 | 28 x 37 x 4 | ||
| NK 29/20 | 29 | 38 | 20 | 0.3 | 22,000 | 36,500 | 4,650 | 9,000 | 14,000 | 0.054 | 29 | 36 | 0.3 | 29 x 38 x 4 |
| NK 29/30 | 38 | 30 | 0.3 | 31,900 | 60,000 | 7,800 | 9,000 | 14,000 | 0.084 | 36 | 0.3 | 29 x 38 x 4 | ||
| NK 30/20 | 30 | 40 | 20 | 0.3 | 22,900 | 38,000 | 49,000 | 8,500 | 13,000 | 0.065 | 30 | 38 | 0.3 | 30 x 40 x 4 |
| NK 30/30 | 40 | 30 | 0.3 | 33,000 | 63,000 | 8,150 | 8,500 | 13,000 | 0.098 | 38 | 0.3 | 30 x 40 x 4 | ||
| NK 32/20 | 32 | 42 | 20 | 0.3 | 23,300 | 40,500 | 52,000 | 8,000 | 12,000 | 0.068 | 32 | 40 | 0.3 | 32 x 42 x 4 |
| NK 32/30 | 42 | 30 | 0.3 | 34,100 | 65,500 | 8,650 | 8,000 | 12,000 | 0.10 | 40 | 0.3 | 32 x 42 x 4 | ||
| NK 35/20 | 35 | 45 | 20 | 0.3 | 24,600 | 45,000 | 5,700 | 7,500 | 11,000 | 0.074 | 35 | 43 | 0.3 | 35 x 45 x 4 |
| NK 35/30 | 45 | 30 | 0.3 | 35,800 | 72,000 | 9,500 | 7,500 | 11,000 | 0.11 | 43 | 0.3 | 35 x 45 x 4 | ||
| NK 37/20 | 37 | 47 | 20 | 0.3 | 25,100 | 46,500 | 5,850 | 7,500 | 1,100 | 0.077 | 37 | 45 | 0.3 | 37 x 47 x 4 |
| NK 37/30 | 47 | 30 | 0.3 | 36,900 | 76,500 | 10,000 | 7,500 | 11,000 | 0.11 | 45 | 0.3 | 37 x 47 x 4 | ||
| NK 38/20 | 38 | 48 | 20 | 0.3 | 25,500 | 49,000 | 6,200 | 7,500 | 11,000 | 0.080 | 38 | 46 | 0.3 | 38 x 48 x 4 |
| NK 38/30 | 48 | 30 | 0.3 | 37,400 | 8,000 | 10,400 | 7,500 | 11,000 | 0.12 | 46 | 0.3 | 38 x 48 x 4 | ||
| NK 40/20 | 40 | 50 | 20 | 0.3 | 26,400 | 51,000 | 6,400 | 7,000 | 10,000 | 0.083 | 40 | 48 | 0.3 | 40 x 50 x 4 |
| NK 40/30 | 50 | 30 | 0.3 | 38,000 | 83,000 | 10,800 | 7,000 | 10,000 | 0.13 | 48 | 0.3 | 40 x 50 x 4 | ||
| NK 42/20 | 42 | 52 | 20 | 0.3 | 27,000 | 53,000 | 6,700 | 6,700 | 9,500 | 0.86 | 42 | 50 | 0.3 | 42 x 52 x 4 |
| NK 42/30 | 52 | 30 | 0.3 | 39,100 | 86,500 | 11,200 | 6,700 | 9,500 | 0.13 | 50 | 0.3 | 42 x 52 x 4 | ||
| NK 43/20 | 43 | 53 | 20 | 0.3 | 27,500 | 55,000 | 6,950 | 6,700 | 9,500 | 0.086 | 43 | 51 | 0.3 | 43 x 53 x 4 |
| NK 43/30 | 53 | 30 | 0.3 | 40,200 | 90,000 | 11,600 | 6,700 | 9,500 | 0.13 | 51 | 0.3 | 43 x 53 x 4 | ||
| NK 45/20 | 45 | 55 | 20 | 0.3 | 27,500 | 57,000 | 7,200 | 6,300 | 9,000 | 0.092 | 45 | 53 | 0.3 | 45 x 55 x 4 |
| NK 45/30 | 55 | 30 | 0.3 | 40,200 | 93,000 | 12,000 | 6,300 | 9,000 | 0.14 | 53 | 0.3 | 45 x 55 x 4 | ||
| NK 47/20 | 47 | 57 | 20 | 0.3 | 29,200 | 61,000 | 7,650 | 6,000 | 8,500 | 0.095 | 47 | 55 | 0.3 | - |
| NK 47/30 | 57 | 30 | 0.3 | 41,800 | 98,000 | 12,900 | 6,000 | 8,500 | 0.14 | 55 | 0.3 | - | ||
| NK 50/25 | 50 | 62 | 25 | 0.6 | 3,800 | 78,000 | 10,000 | 5,600 | 8,000 | 0.16 | 50 | 58 | 0.6 | 50 x 62 x 5 |
| NK 50/35 | 62 | 35 | 0.6 | 49,500 | 110,000 | 14,300 | 5,600 | 8,000 | 0.22 | 58 | 0.6 | 50 x 62 x 5 | ||
| NK 55/25 | 55 | 68 | 25 | 0.6 | 40,200 | 88,000 | 11,200 | 5,300 | 7,500 | 0.18 | 55 | 64 | 0.6 | 55 x 68 x 8 |
| NK 55/35 | 68 | 35 | 0.6 | 52,300 | 122,000 | 16,000 | 5,300 | 7,500 | 0.25 | 64 | 0.6 | 55 x 68 x 8 | ||
| NKS 55 | 72 | 22 | 1 | 44,600 | 78,000 | 10,000 | 5,000 | 7,000 | 0.22 | 67 | 1 | 55 x 72 x 8 | ||




































































