NKI
● Drücken Sie auf die Artikelbezeichnungen (unten), um den Plan (oben) nach den entsprechenden Abmessungen anzusehen.
Bearing Number
- NKI 10/16
- NKI 10/20
- NKI 12/16
- NKI 12/20
- NKI 15/16
- NKI 15/20
- NKI 17/16
- NKI 17/20
- NKI 20/16
- NKI 20/20
- NKI 22/16
- NKI 22/20
- NKI 25/20
- NKI 25/30
- NKI 28/20
- NKI 28/30
- NKI 30/20
- NKI 30/30
- NKI 32/20
- NKI 32/30
- NKI 35/20
- NKI 35/30
- NKI 38/20
- NKI 38/30
- NKI 40/20
- NKI 40/30
- NKI 42/20
- NKI 42/30
- NKI 45/25
- NKI 45/35
- NKI 50/25
- NKI 50/35
※ Sie können die Informationen überprüfen, indem Sie nach links / rechts scrollen.
| Bearing Number | Major Dimensions mm |
Basic Dynamic Rated Load C Kgf |
Basic Static Rated Load Co Kgf |
Fatigue Load Limit Pu kgf |
Rated Rotation Lubrication Grease r/min |
Rated Rotation |
Dimensions | Supporter and Fillet Dimensions mm |
Weight kg |
||||||
|---|---|---|---|---|---|---|---|---|---|---|---|---|---|---|---|
| d | D | B | F | r₁,₂ Minimum |
S¹ | da | Da | ra | |||||||
| NKI 10/16 | 10 | 22 | 16 | 980 | 1,210 | 140 | 16,150 | 24,700 | 14 | 0.3 | 0.5 | 12 | 20 | 0.3 | 0.029 |
| NKI 10/20 | 10 | 22 | 20 | 1,240 | 1,600 | 200 | 16,150 | 24,700 | 14 | 0.3 | 0.5 | 12 | 20 | 0.3 | 0.037 |
| NKI 12/16 | 12 | 24 | 16 | 1,130 | 1,480 | 180 | 15,200 | 22,800 | 16 | 0.3 | 0.5 | 14 | 22 | 0.3 | 0.033 |
| NKI 12/20 | 12 | 24 | 20 | 1,400 | 1,930 | 240 | 15,200 | 22,800 | 16 | 0.3 | 0.5 | 14 | 22 | 0.3 | 0.042 |
| NKI 15/16 | 15 | 27 | 16 | 1,290 | 1,840 | 220 | 13,300 | 19,000 | 19 | 0.3 | 0.5 | 17 | 25 | 0.3 | 0.039 |
| NKI 15/20 | 15 | 27 | 20 | 1,590 | 2,470 | 310 | 13,300 | 19,000 | 19 | 0.3 | 0.5 | 17 | 25 | 0.3 | 0.049 |
| NKI 17/16 | 17 | 29 | 16 | 1,330 | 1,970 | 240 | 12,350 | 18,050 | 21 | 0.3 | 0.5 | 19 | 27 | 0.3 | 0.043 |
| NKI 17/20 | 17 | 29 | 20 | 1,660 | 2,610 | 330 | 12,350 | 18,050 | 21 | 0.3 | 0.5 | 19 | 27 | 0.3 | 0.054 |
| NKI 20/16 | 20 | 32 | 16 | 1,490 | 2,370 | 290 | 9,500 | 15,200 | 24 | 0.3 | 0.5 | 22 | 30 | 0.3 | 0.049 |
| NKI 20/20 | 20 | 32 | 20 | 1,840 | 3,150 | 390 | 9,500 | 15,200 | 24 | 0.3 | 0.5 | 22 | 30 | 0.3 | 0.061 |
| NKI 22/16 | 22 | 34 | 16 | 1,520 | 2,520 | 310 | 9,020 | 14,250 | 26 | 0.3 | 0.5 | 24 | 32 | 0.3 | 0.052 |
| NKI 22/20 | 22 | 34 | 20 | 1,880 | 3,340 | 410 | 9,020 | 14,250 | 26 | 0.3 | 0.5 | 24 | 32 | 0.3 | 0.065 |
| NKI 25/20 | 25 | 38 | 20 | 2,130 | 3,530 | 450 | 8,550 | 13,300 | 29 | 0.3 | 1.0 | 27 | 36 | 0.3 | 0.08 |
| NKI 25/30 | 25 | 38 | 30 | 3,090 | 5,810 | 750 | 8,550 | 13,300 | 29 | 0.3 | 1.5 | 27 | 36 | 0.3 | 0.12 |
| NKI 28/20 | 28 | 42 | 20 | 2,250 | 3,920 | 500 | 7,600 | 11,400 | 32 | 0.3 | 1.0 | 30 | 40 | 0.3 | 0.097 |
| NKI 28/30 | 28 | 42 | 30 | 3,300 | 6,340 | 830 | 7,600 | 11,400 | 32 | 0.3 | 1.5 | 30 | 40 | 0.3 | 0.15 |
| NKI 30/20 | 30 | 45 | 20 | 2,380 | 4,360 | 550 | 7,120 | 10,450 | 35 | 0.3 | 0.5 | 32 | 43 | 0.3 | 0.11 |
| NKI 30/30 | 30 | 45 | 30 | 3,470 | 6,970 | 920 | 7,120 | 10,450 | 35 | 0.3 | 1.0 | 32 | 43 | 0.3 | 0.17 |
| NKI 32/20 | 32 | 47 | 20 | 2,430 | 4,500 | 560 | 7,120 | 10,450 | 37 | 0.3 | 0.5 | 34 | 45 | 0.3 | 0.12 |
| NKI 32/30 | 32 | 47 | 30 | 3,680 | 7,410 | 960 | 7,120 | 10,450 | 37 | 0.3 | 1.0 | 34 | 45 | 0.3 | 0.18 |
| NKI 35/20 | 35 | 50 | 20 | 2,660 | 4,940 | 620 | 6,650 | 9,500 | 40 | 0.3 | 0.5 | 37 | 48 | 0.3 | 0.13 |
| NKI 35/30 | 35 | 50 | 30 | 3,890 | 8,040 | 1,040 | 6,650 | 9,500 | 40 | 0.3 | 1.0 | 37 | 48 | 0.3 | 0.19 |
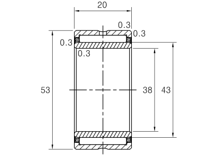
| NKI 38/20 | 38 | 53 | 20 | 2,660 | 5,330 | 670 | 6,360 | 9,020 | 43 | 0.3 | 0.5 | 40 | 51 | 0.3 | 0.14 |
| NKI 38/30 | 38 | 53 | 30 | 3,890 | 8,720 | 1,120 | 6,360 | 9,020 | 43 | 0.3 | 1.0 | 40 | 51 | 0.3 | 0.21 |
| NKI 40/20 | 40 | 55 | 20 | 2,660 | 5,520 | 690 | 5,980 | 8,550 | 45 | 0.3 | 0.5 | 42 | 53 | 0.3 | 0.14 |
| NKI 40/30 | 40 | 55 | 30 | 3,890 | 9,010 | 1,160 | 5,980 | 8,550 | 45 | 0.3 | 1.0 | 42 | 53 | 0.3 | 0.22 |
| NKI 42/20 | 42 | 57 | 20 | 2,830 | 5,910 | 740 | 5,700 | 8,070 | 47 | 0.3 | 0.5 | 44 | 55 | 0.3 | 0.15 |
| NKI 42/30 | 42 | 57 | 30 | 4,050 | 9,500 | 1,250 | 5,700 | 8,070 | 47 | 0.3 | 1.0 | 44 | 55 | 0.3 | 0.22 |
| NKI 45/25 | 45 | 62 | 25 | 3,680 | 7,560 | 960 | 5,320 | 7,600 | 50 | 0.6 | 1.5 | 49 | 58 | 0.6 | 0.23 |
| NKI 45/35 | 45 | 62 | 35 | 4,790 | 1,0660 | 1,380 | 5,320 | 7,600 | 50 | 0.6 | 2.0 | 49 | 58 | 0.6 | 0.32 |
| NKI 50/25 | 50 | 68 | 25 | 3,890 | 8,530 | 1,080 | 5,030 | 7,120 | 55 | 0.6 | 1.5 | 54 | 64 | 0.6 | 0.27 |
| NKI 50/35 | 50 | 68 | 35 | 5,060 | 11,820 | 1,550 | 5,030 | 7,120 | 55 | 0.6 | 2.0 | 54 | 64 | 0.6 | 0.38 |




































