CFE..V

※ Ab Abmessungen CFE 12 V befindet sich ein Schmiernippel am Kopfteil.
● Drücken Sie auf die Artikelbezeichnungen (unten), um den Plan (oben) nach den entsprechenden Abmessungen anzusehen.
Asien-Typ
※ Sie können die Informationen überprüfen, indem Sie nach links / rechts scrollen.
| Stud Diameter G mm |
Bearing Number | Weight gr. |
Major Dimensions mm |
Installation Dimensions f Minimum mm |
Basic Dynamic Rated Load c kgf |
Basic Static Rated Load c kgf |
Allowed RPM |
|||||||||||||||||
|---|---|---|---|---|---|---|---|---|---|---|---|---|---|---|---|---|---|---|---|---|---|---|---|---|
| No Sealant Applied | Sealant Applied | |||||||||||||||||||||||
| Cylindrical Outer Ring |
Spherical Outer Ring |
Cylindrical Outer Ring |
Spherical Outer Ring |
H | D | Screw S | B | B1 | B3 | M | G1 | Europe type | Asian type | r | ||||||||||
| CFE..V | CFE..VR | CFE..VUU | CFE..VUUR | De | Be | e | De | Be | e | |||||||||||||||
| 6 | CFE 6 V | CFE 6 VR | CFE 6 VUU | CFE 6 VUUR | 20 | 3 | 16 | M6 X 1.0 | 11 | 12 | 28 | - | 9 | 9 | 7 | 0.5 | 9 | 7.5 | 0.4 | 0.5 | 11 | 720 | 870 | 12,000 |
| 8 | CFE 8 V | CFE 8 VR | CFE 8 VUU | CFE 8 VUUR | 31.5 | 4 | 19 | M8 X 1.25 | 11 | 12 | 32 | - | 11 | 11 | 9 | 0.5 | 11 | 9.5 | 0.4 | 0.5 | 13 | 840 | 1,150 | 9,000 |
| 10 | CFE 10 V | CFE 10 VR | CFE 10 VUU | CFE 10 VUUR | 48.5 | 4 | 22 | M10 X 1.25 | 12 | 13 | 36 | - | 13 | 13 | 10 | 0.5 | 13 | 10.5 | 0.4 | 1 | 15 | 980 | 1,480 | 7,500 |
| CFE 10-1 V | CFE 10-1 VR | CFE 10-1 VUU | CFE 10-1 VUUR | 64 | 26 | |||||||||||||||||||
| 10 | CFAE 10 V | CFAE 10 VR | CFAE 10 VUU | CFAE 10 VUUR | 48.5 | 4 | 22 | M10 X 1.0 | 12 | 13 | 36 | - | 13 | 13 | 10 | 0.5 | 13 | 10.5 | 0.4 | 1 | 15 | 980 | 1,480 | 7,500 |
| CFAE 10-1 V | CFAE 10-1 VR | CFAE 10-1 VUU | CFAE 10-1 VUUR | 64 | 26 | |||||||||||||||||||
| 12 | CFE 12 V | CFE 12 VR | CFE 12 VUU | CFE 12 VUUR | 103 | 6 | 30 | M12 X 1.5 | 14 | 15 | 40 | M6 X 1.0 | 14 | 15 | 11 | 0.5 | 16 | 11.5 | 0.8 | 1.5 | 20 | 1,380 | 2,010 | 6,000 |
| CFE 12-1 V | CFE 12-1 VR | CFE 12-1 VUU | CFE 12-1 VUUR | 113 | 32 | |||||||||||||||||||
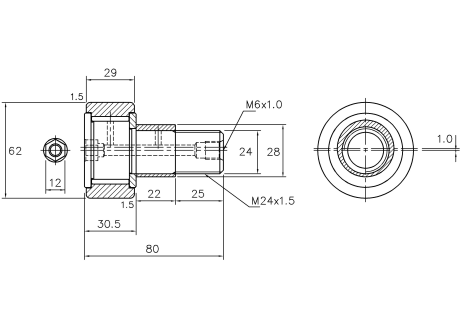
| 16 | CFE 16 V | CFE 16 VR | CFE 16 VUU | CFE 16 VUUR | 187 | 6 | 35 | M16 X 1.5 | 18 | 19.5 | 52 | M6 X 1.0 | 18 | 20 | 14 | 1.0 | 22 | 15.5 | 0.8 | 1.5 | 24 | 2,120 | 3,840 | 4,500 |
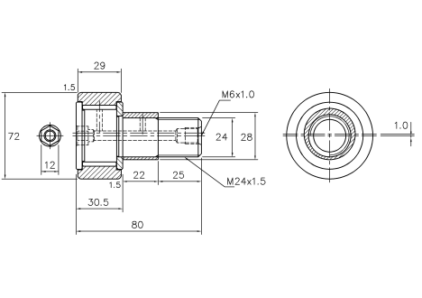
| 18 | CFE 18 V | CFE 18 VR | CFE 18 VUU | CFE 18 VUUR | 275 | 10 | 40 | M18 X 1.5 | 20 | 21.5 | 58 | M6 X 1.0 | 20 | 22 | 16 | 1.0 | 24 | 17.5 | 0.8 | 1.5 | 26 | 2,590 | 5,240 | 3,500 |
| 20 | CFE 20 V | CFE 20 VR | CFE 20 VUU | CFE 20 VUUR | 495 | 10 | 52 | M20 X 1.5 | 24 | 25.5 | 66 | M6 X 1.0 | 22 | 24 | 18 | 1.0 | 27 | 19.5 | 0.8 | 1.5 | 36 | 3,390 | 6,590 | 3,500 |
| CFE 20-1 V | CFE 20-1 VR | CFE 20-1 VUU | CFE 20-1 VUUR | 420 | 47 | |||||||||||||||||||
| 24 | CFE 24 V | CFE 24 VR | CFE 24 VUU | CFE 24 VUUR | 890 | 12 | 62 | M24 X 1.5 | 29 | 30.5 | 80 | M6 X 1.0 | 25 | 28 | 22 | 1.0 | 33 | 25.5 | 0.8 | 1.5 | 40 | 4,760 | 9,390 | 3,500 |
| CFE 24-1 V | CFE 24-1 VR | CFE 24-1 VUU | CFE 24-1 VUUR | 1,220 | 72 | |||||||||||||||||||
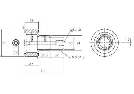
| 30 | CFE 30 V | CFE 30 VR | CFE 30 VUU | CFE 30 VUUR | 2,030 | 12 | 80 | M30 X 1.5 | 35 | 37 | 100 | M6 X 1.0 | 32 | 35 | 29 | 1.5 | 41 | 32.5 | 1.5 | 2 | 40 | 6,910 | 14,700 | 2,200 |
| CFE 30-1 V | CFE 30-1 VR | CFE 30-1 VUU | CFE 30-1 VUUR | 2,190 | 85 | |||||||||||||||||||
| CFE 30-2 V | CFE 30-2 VR | CFE 30-2 VUU | CFE 30-2 VUUR | 2,380 | 90 | |||||||||||||||||||
- Anm.: Die Schrauben des Zapfens bei Reihen CFA10 undCFA10-1 sind M10 x 1.0.
- Anm.: Dieser Artikel wird auf Bestellung hergestellt.
- Anm.: Nach Einbau oder Schieren muss die Schmierbohrung mit der Sechskantkappe unbedingt verschlossen werden.






































