GE























● Drücken Sie auf die Artikelbezeichnungen (unten), um den Plan (oben) nach den entsprechenden Abmessungen anzusehen.
Bearing Number
- GE 10E
- GE 12E
- GE 15ES (ES-2RS)
- GE 17ES (ES-2RS)
- GE 20ES (ES-2RS)
- GE 25ES (ES-2RS)
- GE 30ES (ES-2RS)
- GE 35ES (ES-2RS)
- GE 40ES (ES-2RS)
- GE 45ES (ES-2RS)
- GE 50ES (ES-2RS)
- GE 60ES (ES-2RS)
- GE 70ES (ES-2RS)
- GE 80ES (ES-2RS)
- GE 90ES (ES-2RS)
- GE 100ES (ES-2RS)
- GE 110ES (ES-2RS)
- GE 120ES (ES-2RS)
- GE 140ES (ES-2RS)
- GE 160ES (ES-2RS)
- GE 180ES (ES-2RS)
- GE 200ES (ES-2RS)
- GE 220ES (ES-2RS)
- GE 240ES (ES-2RS)
※ Sie können den Inhalt überprüfen, indem Sie nach links / rechts scrollen.
| Bearing Number | Weight gr. |
Major Dimensions mm |
Dynamic Load Capacity C/Kgf |
Static Load Capacity Co/Kgf |
||||||||||
|---|---|---|---|---|---|---|---|---|---|---|---|---|---|---|
| standards | Sealant types | d | D | B | B1 | d1 | ø | r1 min | r min | a | a1 | |||
| GE 10E | 12 | 10 | 19 | 6 | 9 | 13 | 16 | 0.3 | 0.3 | 12 | 960 | 5,760 | ||
| GE 12E | 17 | 12 |
22 | 7 | 10 | 15 | 18 | 0.3 | 0.3 | 11 | 1,260 | 7,560 | ||
| GE 15ES | GE 15ES-2RS | 32 | 15 |
26 | 9 | 12 | 18.4 | 22 | 0.3 | 0.3 | 8 | 5 | 1,980 | 11,900 |
| GE 17ES | GE 17ES-2RS | 49 | 17 | 30 | 10 | 14 | 20.7 | 25 | 0.3 | 0.3 | 10 | 7 | 2,500 | 15,000 |
| GE 20ES | GE 20ES-2RS | 65 | 20 | 35 | 12 | 16 | 24.2 | 29 | 0.3 | 0.3 | 9 | 6 | 3,480 | 20,900 |
| GE 25ES | GE 25ES-2RS | 115 | 25 | 42 | 16 | 20 | 29.3 | 35.5 | 0.6 | 0.6 | 7 | 4 | 5,680 | 34,100 |
| GE 30ES | GE 30ES-2RS | 160 | 30 | 47 | 18 | 22 | 34.2 | 40.7 | 0.6 | 0.6 | 6 | 4 | 7,330 | 44,000 |
| GE 35ES | GE 35ES-2RS | 258 | 35 | 55 | 20 | 25 | 39.8 | 47 | 0.6 | 1 | 6 | 4 | 9,400 | 56,400 |
| GE 40ES | GE 40ES-2RS | 315 | 40 | 62 | 22 | 28 | 45 | 53 | 0.6 | 1 | 7 | 4 | 11,700 | 70,000 |
| GE 45ES | GE 45ES-2RS | 413 | 45 | 68 | 25 | 32 | 50.8 | 60 | 0.6 | 1 | 7 | 4 | 15,000 | 90,000 |
| GE 50ES | GE 50ES-2RS | 560 | 50 | 75 | 28 | 35 | 56 | 66 | 0.6 | 1 | 6 | 4 | 18,500 | 111,000 |
| GE 60ES | GE 60ES-2RS | 1,100 | 60 | 90 | 36 | 44 | 66.8 | 80 | 1 | 1 | 6 | 3 | 28,800 | 173,000 |
| GE 70ES | GE 70ES-2RS | 1,540 | 70 | 105 | 40 | 49 | 77.9 | 92 | 1 | 1 | 6 | 4 | 36,800 | 221,100 |
| GE 80ES | GE 80ES-2RS | 2,290 | 80 | 120 | 45 | 55 | 89.4 | 105 | 1 | 1 | 6 | 4 | 47,300 | 284,000 |
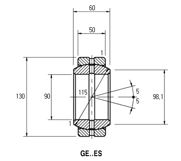
| GE 90ES | GE 90ES-2RS | 2,820 | 90 | 130 | 50 | 60 | 98.1 | 115 | 1 | 1 | 5 | 3 | 57,500 | 345,000 |
| GE 100ES | GE 100ES-2RS | 4,430 | 100 | 150 | 55 | 70 | 109.5 | 130 | 1 | 1 | 7 | 5 | 71,500 | 429,000 |
| GE 110ES | GE 110ES-2RS | 4,940 | 110 | 160 | 55 | 70 | 121.2 | 140 | 1 | 1 | 6 | 4 | 77,000 | 462,000 |
| GE 120ES | GE 120ES-2RS | 8,120 | 120 | 180 | 70 | 85 | 135.6 | 160 | 1 | 1 | 6 | 4 | 112,000 | 672,000 |
| GE 140ES | GE 140ES-2RS | 11,400 | 140 | 210 | 70 | 90 | 155.9 | 180 | 1 | 1 | 7 | 5 | 126,000 | 756,000 |
| GE 160ES | GE 160ES-2RS | 14,400 | 160 | 230 | 80 | 105 | 170.2 | 200 | 1 | 1 | 8 | 6 | 160,000 | 960,000 |
| GE 180ES | GE 180ES-2RS | 18,900 | 180 | 260 | 80 | 105 | 199 | 225 | 1.1 | 1.1 | 6 | 5 | 180,000 | 1,080,000 |
| GE 200ES | GE 200ES-2RS | 28,100 | 200 | 290 | 100 | 130 | 213.5 | 250 | 1.1 | 1.1 | 7 | 6 | 250,000 | 1,500,000 |
| GE 220ES | GE 220ES-2RS | 36,100 | 220 | 320 | 100 | 135 | 239.6 | 275 | 1.1 | 1.1 | 8 | 6 | 275,000 | 1,650,000 |
| GE 240ES | GE 240ES-2RS | 40,400 | 240 | 340 | 100 | 140 | 265.3 | 300 | 1.1 | 1.1 | 8 | 6 | 300,000 | 1,800,000 |
- Anm.: Derzeit werden bis Abmessungen GE 200ES hergestellt.





























