NA49
● 点击下端的名称代码,即可确认适用对应数值的图纸(上端)。
※ 您可以通过向左/向右滚动来检查内容。
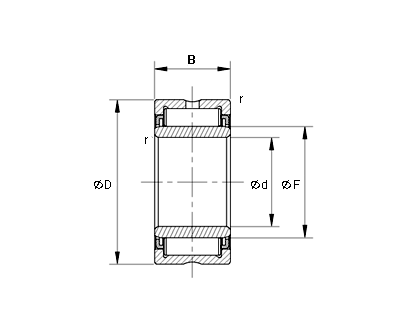
| Shaft Diameter mm d |
Bearing Number | Weight gr. |
Major Dimensions mm |
Basic Load | Allowed RPM |
||||
|---|---|---|---|---|---|---|---|---|---|
| F | D | B | r | Dynamic Rated Load (Kgf) |
Static Rated Load (Kgf) |
||||
| 10 | NA4900 | 23 | 14 | 22 | 13 | 0.3 | 867 | 939 | 25,000 |
| 12 | NA4901 | 26 | 16 | 24 | 13 | 0.3 | 959 | 1,112 | 24,000 |
| 15 | NA4902 | 34 | 20 | 28 | 13 | 0.3 | 1,082 | 1,388 | 22,000 |
| 17 | NA4903 | 37 | 22 | 30 | 13 | 0.3 | 1,122 | 1,490 | 21,000 |
| 20 | NA4904 | 75.2 | 25 | 37 | 17 | 0.3 | 2,143 | 2,602 | 17,000 |
| 25 | NA4905 | 88 | 30 | 42 | 17 | 0.3 | 2,408 | 3,214 | 15,000 |
| 30 | NA4906 | 101 | 35 | 47 | 17 | 0.3 | 2,551 | 3,622 | 13,000 |
| 35 | NA4907 | 170 | 42 | 55 | 20 | 0.6 | 3,214 | 5,102 | 11,000 |
| 40 | NA4908 | 230 | 48 | 62 | 22 | 0.6 | 4,388 | 6,837 | 9,500 |
| 45 | NA4909 | 271 | 52 | 68 | 22 | 0.6 | 4,592 | 7,449 | 8,500 |
| 50 | NA4910 | 274 | 58 | 72 | 22 | 0.6 | 4,796 | 8,163 | 8,000 |















