JFTS
● 点击下端的名称代码,即可确认适用对应数值的图纸(上端)。
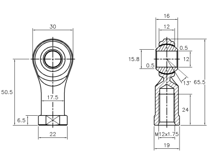
Bearing Number
※ 您可以通过向左/向右滚动来检查内容。
| Bearing Number |
Weight gr. |
Major Dimensions mm |
Tilting Angle a° |
Ball Radius mm |
Static Load Capacity Co/Kgf |
|||||||||||||
|---|---|---|---|---|---|---|---|---|---|---|---|---|---|---|---|---|---|---|
| d | Screw KS Class 2/S |
D | B +0.1 -0.4 |
B1 +0 -0.1 |
d1 | L | I | L1 | L2 | W +0 -0.2 |
D1 | D2 | r | |||||
| JFTS 3 | 6.5 | 3 | M 3 x 0.5 | 12 | 4.5 | 6 | 7.4 | 27 | 3 | 21 | 10 | 7 | 8 | 6.5 | 0.5 | 11 | 9.525 | 240 |
| JFTS 4 | 10 | 4 | M 4 x 0.7 | 14 | 5 | 7 | 7.1 | 31 | 4 | 24 | 12 | 8 | 9.5 | 8 | 0.5 | 12 | 10 | 280 |
| JFTS 5 | 16.5 | 5 | M 5 x 0.8 | 16 | 6 | 8 | 7.7 | 35 | 4 | 27 | 14 | 9 | 11 | 9 | 0.5 | 13 | 11.1 | 320 |
| JFTS 6 | 25 | 6 | M 6 x 1.0 |
18 | 7 | 9 | 9 | 39 | 5 | 30 | 14 | 11 | 13 | 10 | 0.5 | 13 | 12.7 | 410 |
| JFTS 8 | 43 | 8 | M 8 x 1.25 |
22 | 9 | 12 | 10.4 | 47 | 5 | 36 | 17 | 14 | 16 | 13 | 0.5 | 13 | 15.87 | 610 |
| JFTS 10 | 72 | 10 | *M10 x 1.25 | 26 | 10.5 | 14 | 12.9 | 56 | 6 | 43 | 20 | 17 | 19 | 15 | 0.5 | 13 | 20.6 | 770 |
| M10 x 1.5 | ||||||||||||||||||
| JFTS 12 | 107 | 12 | M12 x 1.75 | 30 | 12 | 16 | 15.8 | 65.5 | 6.5 | 50.5 | 24 | 19 | 22 | 17.5 | 0.5 | 13 | 22.5 | 900 |
| JFTS 14 | 160 | 14 | M14 x 2.0 | 37 | 13.5 | 19 | 16.9 | 76 | 8.5 | 57.5 | 27 | 22 | 25 | 20 | 0.5 | 15 | 25.4 | 1,240 |
| JFTS 16 | 210 | 16 | M16 x 2.0 | 39 | 15 | 21 | 19.3 | 83 | 8.5 | 63.5 | 33 | 24 | 27 | 22 | 0.5 | 15 | 28.5 | 1,650 |
| JFTS 18 | 295 | 18 | M18 x 1.5 | 44 | 16.5 | 23 | 21.7 | 93 | 10 | 71 | 36 | 27 | 31 | 25 | 0.5 | 15 | 31.6 | 2,060 |
| JFTS 20 | 380 | 20 | M20 x 1.5 | 48 | 18 | 25 | 23.8 | 102 | 11 | 78 | 40 | 30 | 34 | 27.5 | 0.5 | 15 | 34.5 | 2,280 |
| JFTS 22 | 490 | 22 | M22 x 1.5 | 54 | 21 | 28 | 25.8 | 111 | 12 | 84 | 43 | 32 | 37 | 30 | 0.5 | 15 | 38.1 | 2,720 |
| JFTS 25 | 750 | 25 | M24 x 2.0 | 64 | 23 | 31 | 29.8 | 126 | 12 | 94 | 50 | 36 | 42 | 33.5 | 0.5 | 15 | 43 | 4,790 |
| JFTS 30 | 900 | 30 | M30 x 2.0 | 73 | 26 | 37 | 34.8 | 145 | 16.5 | 108.5 | 50 | 47 | 49 | 40 | 0.5 | 15 | 50.8 | 6,080 |
- 订货指南:上述表格的螺丝规格中,前端标有“*”号的,需注明订购的螺丝尺寸。
- 早期使用指南:不进行润滑也可以使用,但若在球面定期涂抹少量润滑油或润滑脂,可有助于延长使用寿命。
- 备注)JFTS 14~JFTS 30加入了球面轴承,可承受高负荷。



















