ZBS
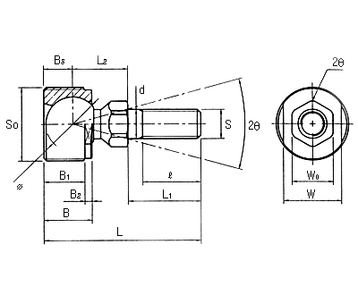
● 하단의 호칭번호를 클릭하시면 각 호칭번호에 해당하는 수치가 적용된 도면(상단)을 확인하실 수 있습니다.
※ 좌/우로 스크롤하시면 내용을 확인하실 수 있습니다.
| 호칭번호 | 외형치수 mm | 홀더부치수 mm | 축경 | 볼부착생크부치수 mm | 허용 경사각 |
항복점 강도 |
정부하용량 | 질량 | |||||||||||||
|---|---|---|---|---|---|---|---|---|---|---|---|---|---|---|---|---|---|---|---|---|---|
| 축직각방향 | 축 방 향 | ||||||||||||||||||||
| 나사 So JIS2급 |
길이 L |
B | B1 | B2 | B3 | W 0 -0.3 |
d h9 |
나사 S JIS2급 |
볼경 ø |
d | L1 | L2 | ℓ | Wo 0 -0.3 |
2θ | Pk Kgf |
Cs Kgf |
Csa (인장) Kgf |
Csa (압축) Kgf |
g | |
| ZBS 6 | M20 x 1.5 | 34.2 | 11.5 | 8 | 2 | 7 | 17 | 6 | M6x 1.0 | 12.7 | 10 | 15 | 12.2 | 11 | 8 | 30° | 250 | 1,400 | 500 | 1,230 | 30 |
| ZBS 8 | M22 x 1.5 | 41.5 | 14.5 | 11 | 2 | 8.5 | 19 | 8 | M8 x 1.25 | 15.875 | 12 | 17 | 16 | 12 | 10 | 30° | 540 | 2,520 | 1,070 | 1,800 | 50 |
| ZBS 10 | M25 x 1.5 | 55.5 | 17 | 13.5 | 2 | 10 | 22 | 10 | M10 x 1.5 | 19.05 | 14 | 26 | 19.5 | 21 | 11 | 30° | 740 | 3,340 | 1,470 | 2,560 | 80 |
| ZBS 12 | M30 x 1.5 | 63 | 20 | 15.5 | 3 | 12 | 27 | 12 | M12 x 1.75 | 22.225 | 19 | 30 | 21 | 24 | 14 | 30° | 950 | 4,490 | 1,870 | 3,580 | 130 |








