THRUST JOINTS
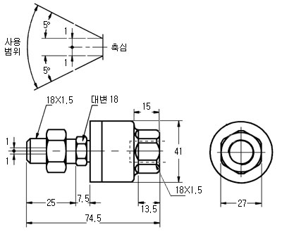
● 하단의 호칭번호를 클릭하시면 각 호칭번호에 해당하는 수치가 적용된 도면(상단)을 확인하실 수 있습니다.
※ 좌/우로 스크롤하시면 내용을 확인하실 수 있습니다.
| 호칭번호 | 나사규격 | 주 요 치 수 mm | 적용 실린더 내경 ø |
||||||||||
|---|---|---|---|---|---|---|---|---|---|---|---|---|---|
| M | DP | A | B | C | øD | E | F | H | 요동 각도 |
허용 편심량 G |
인장 압축력 Max Kgf |
||
| TJ 5 | 5 x 0.8 | 7 | 35 | 14 | 2 | 16 | 5 | 6 | 10 | 10° | 0.5 | 12 | 10, 15 |
| TJ 6 | 6 x 1.0 | 7 | 35 | 14 | 2 | 16 | 5 | 6 | 10 | 10° | 0.5 | 12 | 15 |
| TJ 8 | 8 x 1.25 | 8 | 44 | 17.5 | 4.5 | 21 | 7 | 8 | 13 | 10° | 0.5 | 110 | 20 |
| TJ 10 | 10 x 1.25 | 9 | 48.5 | 19.5 | 5 | 24 | 8 | 10 | 17 | 10° | 0.5 | 250 | 25, 30 |
| TJ 12 | * 12 x 1.25 | 13 | 55 | 20 | 6 | 29 | 10 | 12 | 20 | 10° | 0.75 | 440 | 30, 40 |
| TJ 14 | 14 x 1.5 | 13 | 60 | 20 | 6 | 31 | 9 | 14 | 22 | 10° | 0.75 | 600 | 40 |
| TJ 16 | 16 x 1.5 | 15 | 69 | 24 | 7 | 38 | 12 | 16 | 26 | 10° | 1 | 1,100 | 50 |
| * 16 x 2.0 | |||||||||||||
| TJ 18 | 18 x 1.5 | 15 | 74.5 | 26 | 7.5 | 41 | 13.5 | 18 | 27 | 10° | 1 | 1,100 | 50, 63 |
| TJ 20 | * 20 x 1.5 | 18 | 90.5 | 30 | 9.5 | 50 | 16 | 20 | 32 | 10° | 1.25 | 1,800 | 80 |
| 20 x 2.5 | |||||||||||||
| TJ 22 | 22 x 1.5 | 18 | 90.5 | 31 | 9.5 | 50 | 16 | 22 | 32 | 10° | 1.25 | 1,800 | 80 |
| TJ 24 | 24 x 1.5 | 24 | 110 | 35 | 12 | 59.5 | 17 | 26 | 41 | 10° | 2 | 2,800 | 100 |
| TJ 26 | 26 x 1.5 | 24 | 110 | 35 | 12 | 59.5 | 17 | 26 | 41 | 10° | 2 | 2,800 | 100 |
| TJ 30 | 30 x 1.5 | 38 | 152 | 45 | 13 | 79 | 22 | 30 | 46 | 10° | 2 | 5,400 | 125, 140 |
| * 30 x 2.0 | |||||||||||||
| TJ 36 | 36 x 1.5 | 42 | 178 | 55 | 16 | 96 | 24 | 36 | 55 | 10° | 3.0 | 7,100 | 160 |
- TJ는 Thrust Joint의 약자입니다.
- "*" 이 품목은 주문에 의하여 생산합니다.


















